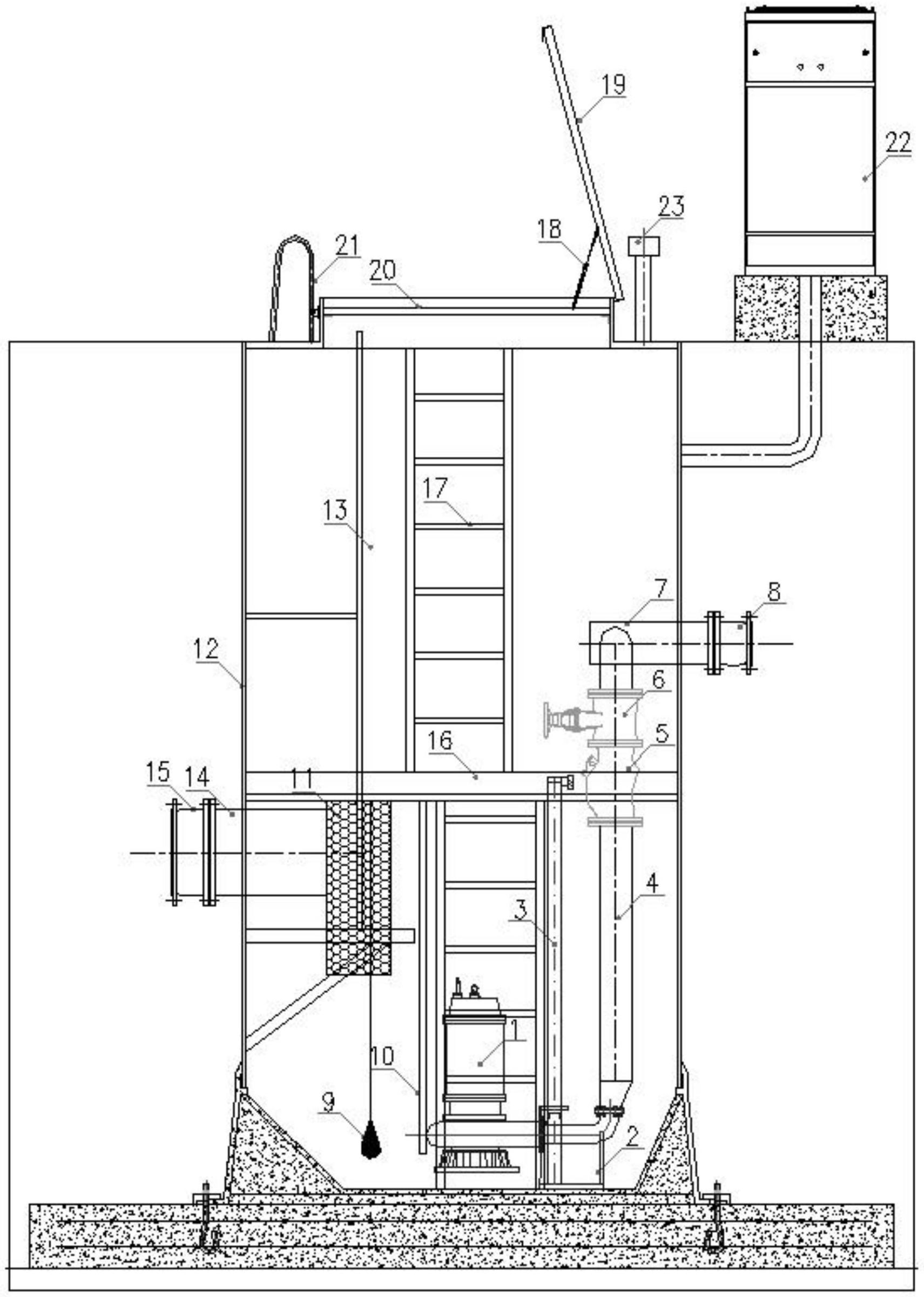
泵站设计图

六安一体化污水提升泵站总设计说明
图片尺寸1018x689
一体化预制泵站
图片尺寸1256x1200
th一体化泵站是什么
图片尺寸640x933
一体化泵站厂家 1,图为一体化污水提升泵站工程图纸,设计流量为500m
图片尺寸588x724
一文读懂污水泵站的设计
图片尺寸960x720
污水提升泵站价格
图片尺寸3933x3044
一种一体化预制泵站
图片尺寸1711x2402
某提升泵站设计图
图片尺寸883x605
小型双出口泵站cad平面图,图纸包括:平面图,立面图,剖面图等,设计规范
图片尺寸610x861
一体化泵站施工工艺资料下载-天子湖大道污水一体化提升泵站设计图纸
图片尺寸2400x1800
泵站装配图pdf
图片尺寸800x566
二泵站平剖面图.dwg
图片尺寸1200x800
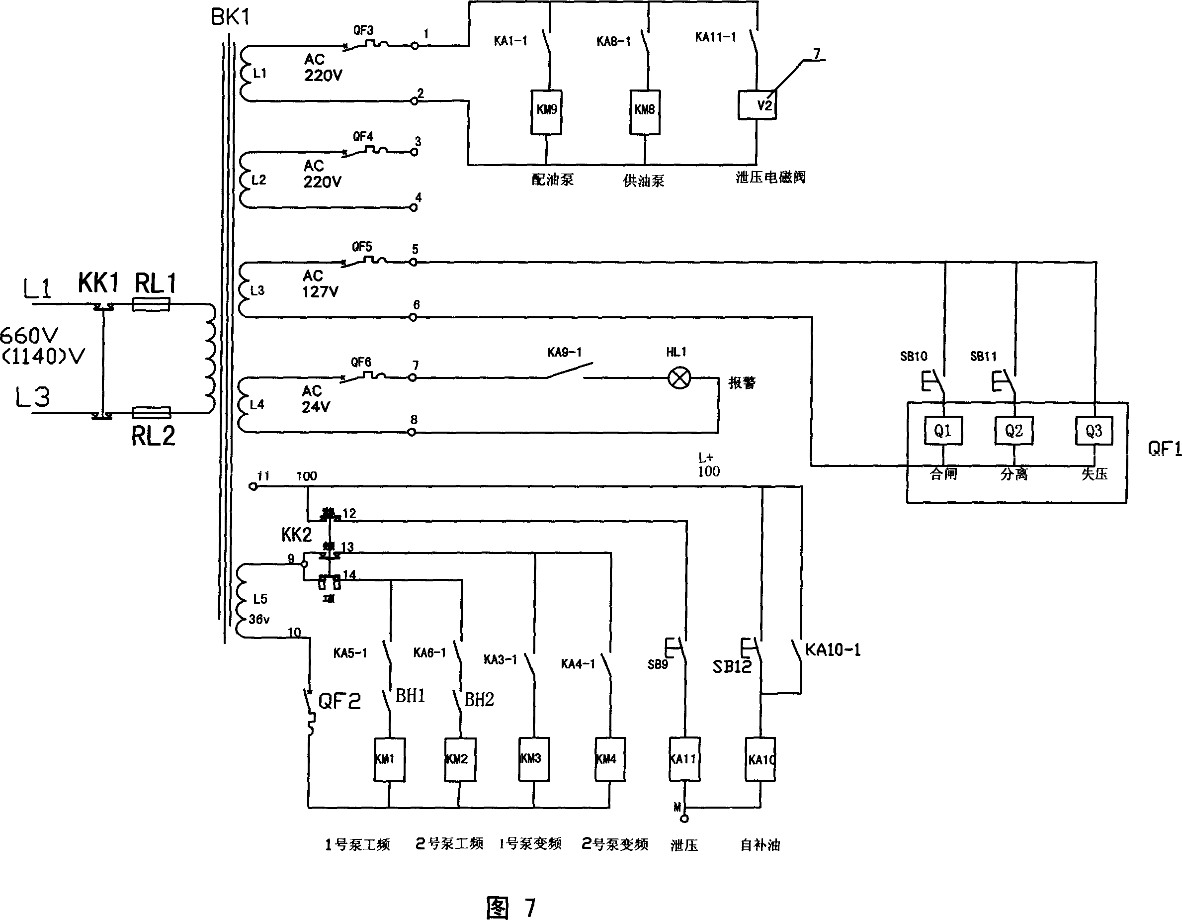
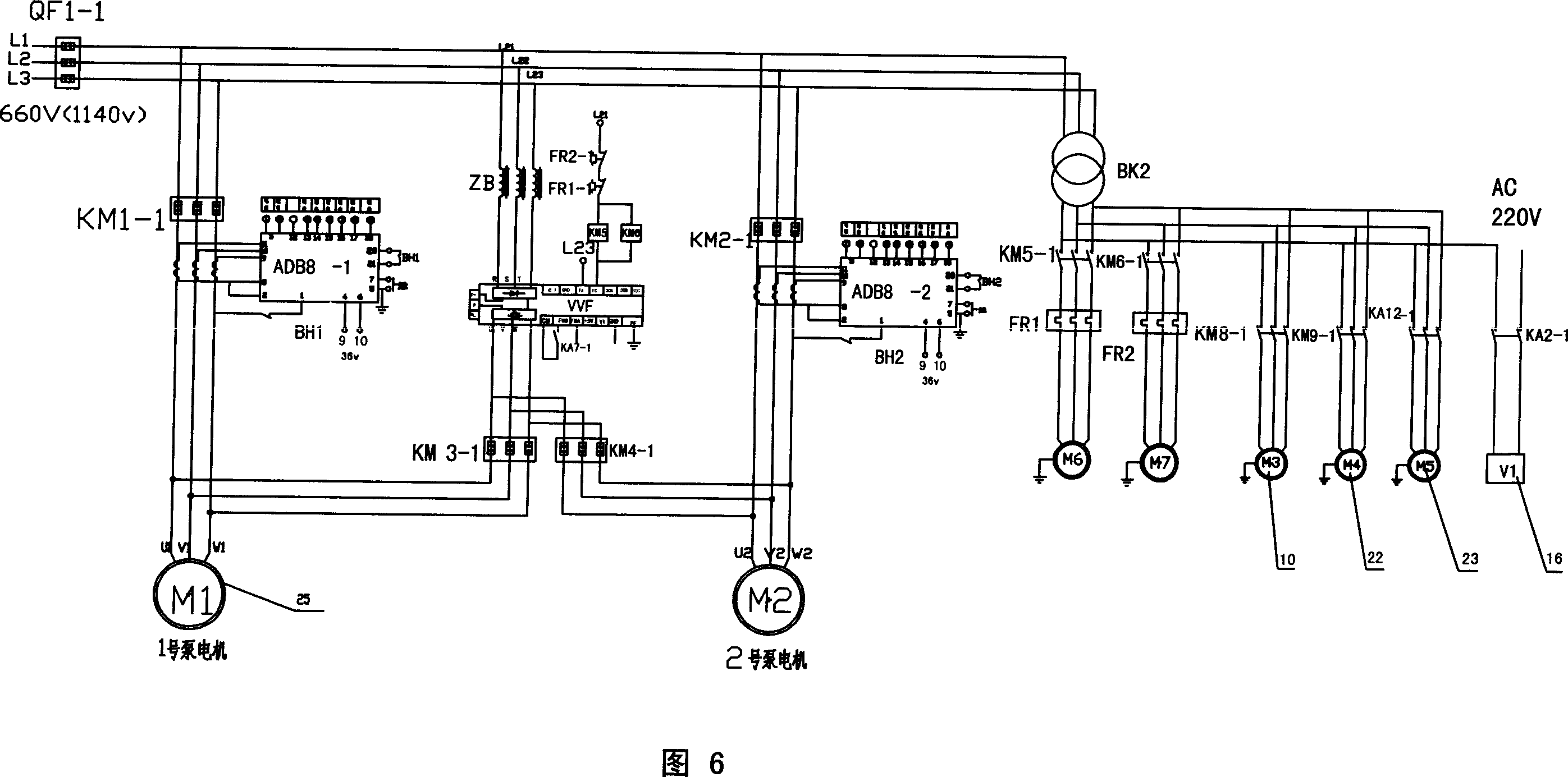
矿用智能型乳化液泵站
图片尺寸2793x1385
小型灌溉泵站全套水利设计施工图
图片尺寸1440x1020
泵站装配图.pdf
图片尺寸920x650
矿用智能型乳化液泵站
图片尺寸2559x1648
一种一体化预制湿式给水泵站
图片尺寸1619x933
【南通】某叠压无负压设备泵房布置图(含泵房布置图,设计说明)
图片尺寸1440x1020
矿用智能型乳化液泵站
图片尺寸2378x1850
安徽一体化预制泵站产品结构图
图片尺寸1802x1174