活节螺栓零件图

活节螺栓美标标准是多少阿
图片尺寸776x403
活节螺栓din444-1983
图片尺寸750x695
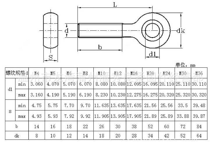
活节螺栓
图片尺寸2245x1387
活节螺栓
图片尺寸474x176
活节螺栓.dwg
图片尺寸1200x800
20mm gb798 活节螺丝 活节螺栓 鱼眼带孔螺栓 m20*70/80/90-220
图片尺寸756x517
活节螺栓gb79888
图片尺寸507x189
螺栓标准件国标及附图
图片尺寸920x1302
304不锈钢gb798吊环活节螺栓 m12 m14 m16
图片尺寸790x541
厂家直供lk国标活节螺栓羊眼螺丝
图片尺寸790x600
a4-活节螺栓
图片尺寸570x587
作业内容:螺栓连接装配图.
图片尺寸890x971
活节螺栓
图片尺寸625x723
jis b1173-1995 双头螺栓系列3(b1=2d,l>125mm)
图片尺寸2245x1387
螺栓 零件图
图片尺寸819x625
螺栓装配图.dwg
图片尺寸800x500
方头螺栓jisb1182-1995
图片尺寸1920x916
今日紧固件设计图分享:一款活节螺栓(孔眼螺栓,鱼眼螺栓),m8*55,圆孔
图片尺寸2124x1280
gbt57881986细杆六角头法兰面螺栓b型
图片尺寸2245x1387
不锈钢螺栓加工
图片尺寸800x578