滚塑机图纸

滚塑成型机的基本组成与作用
图片尺寸3548x2199
滚塑
图片尺寸329x343
mobile leaf shredding and bagging machine
图片尺寸2320x3408
j1440-zs900注塑机设计-注射机结构设计【7张cad - 抖音
图片尺寸1146x812
滚塑成型机的基本组成与作用
图片尺寸3636x2119
一种转盘,多组份注塑机动模板及多组份注塑机
图片尺寸1051x1312
服务支持_滚塑工艺-连云港春旭滚塑科技有限公司
图片尺寸700x451
滚塑机系列-常州营创滚塑设备有限公司
图片尺寸1000x750
滚塑成型工艺-滚塑模具-滚塑机-滚塑设备厂家「旭日滚塑」
图片尺寸976x714
注塑机
图片尺寸1183x658
滚塑机作为先进成型技术,在现代工业生产中广泛应用.
图片尺寸1924x1280
一种背负式双色注塑机的注射结构的制作方法
图片尺寸1673x1014
01)i 发明名称 滚塑摇摆机 发明人 庞家聚;李方程;许海亮 申请人 四川
图片尺寸800x758
摇摆式滚塑机
图片尺寸700x393
一种智能高速点胶机
图片尺寸2183x1740
转塔式滚塑机-常州营创滚塑设备有限公司
图片尺寸1000x576
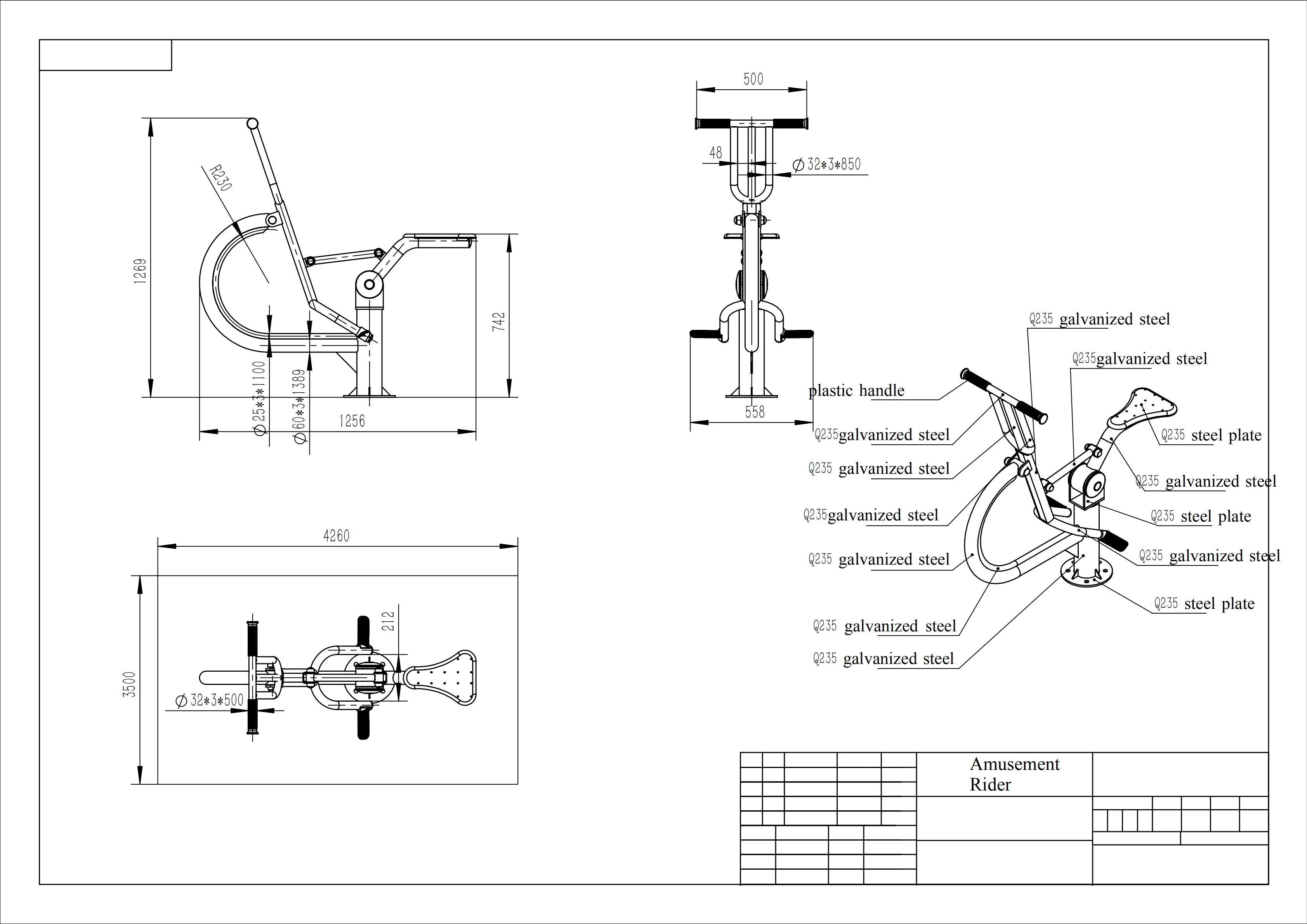
器材规范 材质: q235 镀锌钢 粉末涂料; 304 不锈钢螺钉; 滚塑塑料
图片尺寸3367x2381
fa.sa系列-nsk w3206sa-1p-c5z5 江苏勃曼工业控
图片尺寸1485x742
滚塑机
图片尺寸1440x1919
探索滚塑工艺:塑料成型的神奇艺术
图片尺寸3844x2160