滚子轴承简图

滚动轴承的画法
图片尺寸1128x968
nj232-nj0000型内圈单挡边圆柱滚子轴承-圆柱滚子轴承-型号查询-金
图片尺寸2268x1701
滚动轴承的画法
图片尺寸1774x1933
滚动轴承的画法
图片尺寸1126x1010
常用的单列深沟球轴承,单列圆柱滚子轴承,圆锥滚子轴承,推力角接触球
图片尺寸1080x1634
滚动轴承的画法
图片尺寸1232x608
cn211737749u_一种高性能圆柱滚子轴承
图片尺寸1654x1886
一种耐磨型圆锥滚子轴承
图片尺寸1687x1524
滚动轴承的画法
图片尺寸662x1310
nilos-ring安装说明 - 圆锥滚子轴承
图片尺寸283x380
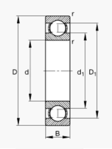
滚动轴承的画法
图片尺寸574x626
滚子轴承
图片尺寸736x896
gb-t276-滚动轴承
图片尺寸2128x2976
推力圆柱滚子轴承_推力轴承_洛阳鸿元轴承科技有限公司
图片尺寸2116x774
滚动轴承的画法有简化画法和两种其中简化画法又有和两种
图片尺寸241x323
一种炉内高温石墨滚子轴承
图片尺寸1582x1452
一种圆柱滚子轴承
图片尺寸1493x1314
p data-id="gn7gs8izsm">fag 20230-mb轴承是鼓形滚子轴承,内径为150
图片尺寸358x477
nsk 圆柱滚子轴承hj2307e样本图纸
图片尺寸500x500
生物颗粒机用加强型圆锥滚子轴承 33216x2 耐高温轴承500度 7816e轴承
图片尺寸676x312