滚珠轴承装配图

dh7205bd2rs滚珠丝杆专用法兰轴承,免隔圈,傻瓜安装
图片尺寸852x1110
向心带座轴承 背面组合 深沟滚珠轴承嵌入型
图片尺寸471x370
怎样拆卸和安装滚动轴承?_装配
图片尺寸352x462
nachi52324轴承
图片尺寸400x246
滚珠轴承角接触型双列
图片尺寸280x359
轴承装配图
图片尺寸800x600
轴承装配图dwg
图片尺寸800x500
一篇文章教会你轴承的安装
图片尺寸640x344
轴承加热器如何使用调心滚子轴承的热安装冷安装调心滚子轴承配合过紧
图片尺寸2804x1860
滑动轴承装配图
图片尺寸969x612
滚动轴承装配方法及误差检测方法
图片尺寸600x363
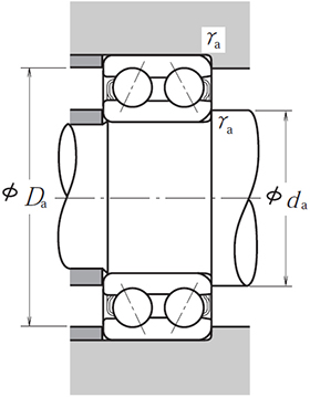
滚珠轴承各部分名称与代号
图片尺寸450x211
磨床主轴结构中向心推力球轴承的应用
图片尺寸490x276
6319nr 单列深沟滚珠轴承附止动圈
图片尺寸569x219
自调心球轴承该如何选择,工业解决方案告诉您!
图片尺寸1331x844
滚珠丝杆用整体轴承机构制造技术
图片尺寸1000x527
滚动轴承的详细尺寸问:如题,6014的内径70mm,外径110mm,还想知道滚珠
图片尺寸880x583
>nx00z型无内圈的滚针和保持架推力球组合轴承
图片尺寸926x1114
nsk e4轴承
图片尺寸500x500
skf角接触球轴承3310a2z3310a2z
图片尺寸843x523