灌溉设计

花园智慧园林灌溉系统
图片尺寸600x399
灌溉系统对农业非常重要,该文件可以帮助您为农民和园丁设计一个灌溉
图片尺寸700x490
灌溉排涝设计
图片尺寸1024x731
农田水利灌溉设计与节水管理
图片尺寸450x338
用 ai 设计水上大棚.灌溉方便,适合游玩,采摘体验活动,还 - 抖音
图片尺寸1080x1080
小型灌溉泵站全套水利设计施工图
图片尺寸1440x1020
滴灌,微喷工程设计,为你提供合理优质的灌溉方案
图片尺寸750x462
节水灌溉工程(农村小型水利工程典型设计图集)
图片尺寸800x567
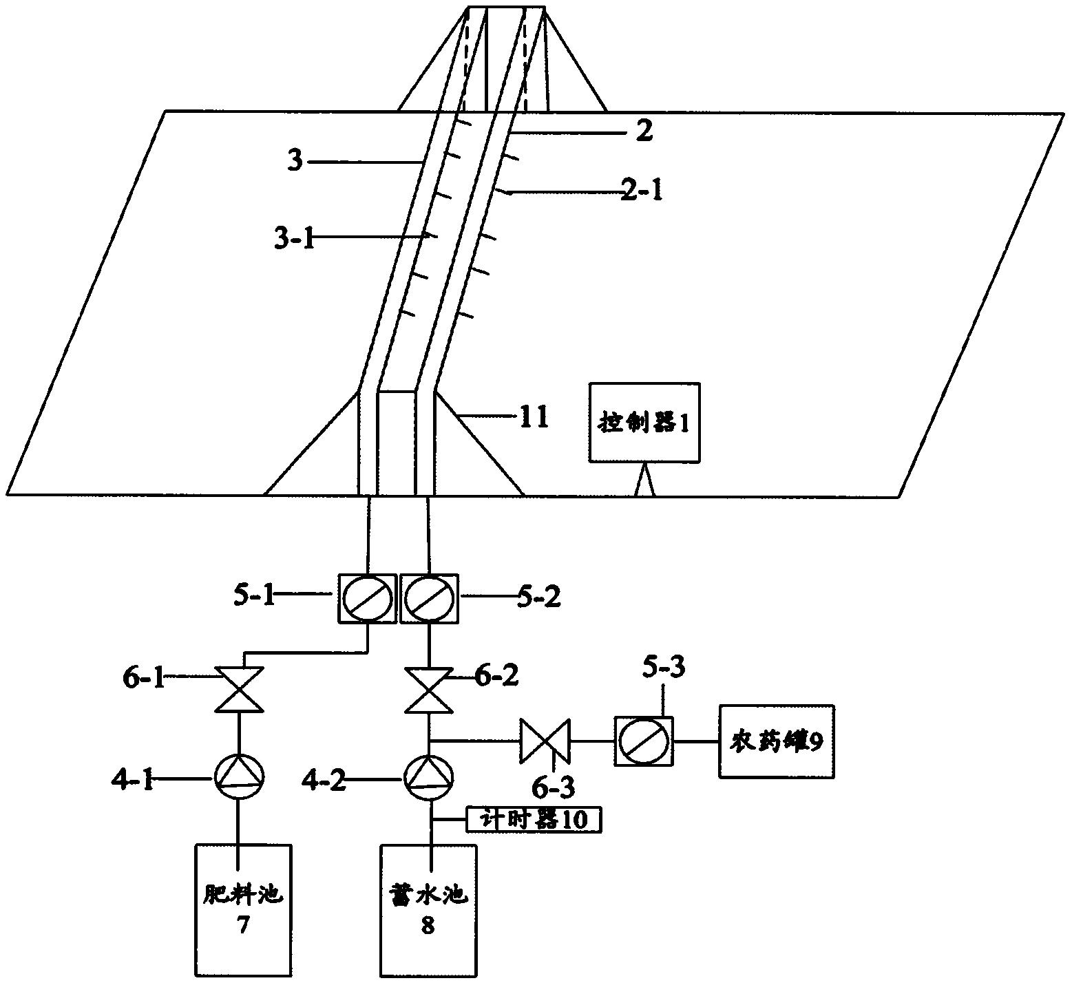
一种农作物灌溉系统-爱企查
图片尺寸1557x1431
某节水灌溉系统典型平面设计cad图集滴灌与微喷灌
图片尺寸437x315
文档下载 所有分类 > 城市园林绿地节水灌溉系统建设二,设计基础资料
图片尺寸505x365
喷灌设计,喷灌工程设计,灌溉设计,灌溉工程设计,园林喷灌设计
图片尺寸600x478
灌溉排涝设计
图片尺寸1024x731
农田灌溉50方圆形蓄水池设计图
图片尺寸706x458
445亩苹果,梨,桃精准滴灌灌溉设计方案_客户案例_山东润祥智慧节水
图片尺寸1267x629
灌溉设计灌溉项目设计信息收集表
图片尺寸800x525
灌溉系统设计需要注意哪些问题
图片尺寸540x419
小型抽水电灌溉泵站设计图纸
图片尺寸337x248
果园精准水肥一体化滴灌灌溉设计方案
图片尺寸568x344
灌溉系统设计|喷头|脉冲电磁阀|叠片过滤器|砂石过滤器|自动反冲洗
图片尺寸1200x803