环形器原理图

工作原理按端口可分为3端口和4端口;按偏振可分为保偏型环形器(pmcir)
图片尺寸571x216
图1.光环形器原理示意图.
图片尺寸640x247
光纤环形器有什么作用?
图片尺寸450x199
环行器
图片尺寸1213x677
一种微型环形器结构及其组装工艺的制作方法
图片尺寸1000x469
「小麓讲堂」光环形器简介
图片尺寸1080x667
环行器的原理
图片尺寸500x218
涉及一种微带环形器技术领域,包括磁钢,陶瓷盖板,高磁距铁氧化柱,低
图片尺寸1433x926
环行器
图片尺寸498x425
一种环形振荡电路,环形振荡器及其实现方法
图片尺寸1912x1362
步进电动机环形分配器仿真原理图
图片尺寸871x523
行业专业技术高性能射频前端环形器品类丰富可定制已交付40000多个
图片尺寸526x243
步进电动机环形分配器仿真原理图
图片尺寸742x501
一种新型光纤环形器
图片尺寸1760x1011
本实用新型涉及一种铁氧体大功率环行器
图片尺寸1000x867
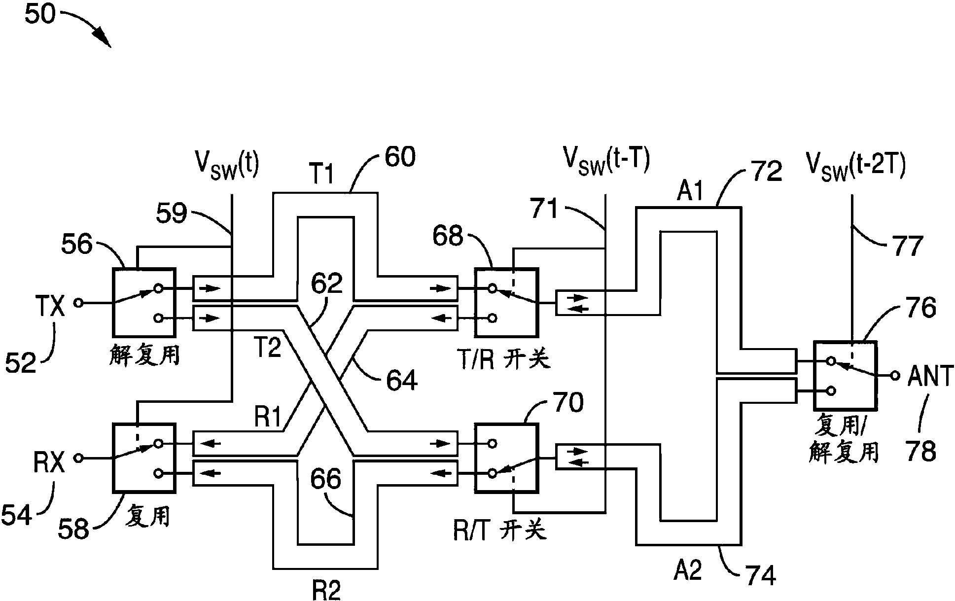
cn107615580a_具有顺序切换的延迟线路(ssdl)的超宽带环形器在审
图片尺寸1937x1219
一种光环形器的制作方法
图片尺寸1000x433
一种新型光纤环形器的制作方法
图片尺寸1000x765
一种同轴环行器
图片尺寸1132x2076
一种偏振无关型光环形器的制作方法
图片尺寸590x319