电容柜图纸

常用电容柜原理接线图
图片尺寸1440x1020
高压电容柜图纸,很少的哦,给大家参考参考
图片尺寸653x461
某地电站电容补偿柜无功率电气全图
图片尺寸1440x1020
高压电容柜一二次电气设计全套图纸
图片尺寸1440x1020
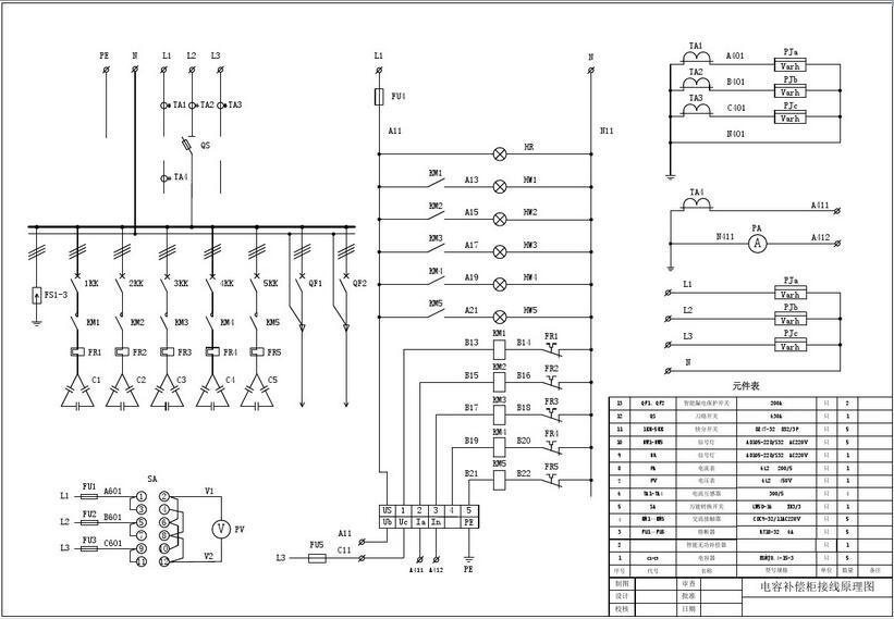
电容补偿柜二次原理图下载__机械图纸 - 机械5
图片尺寸820x1158
电容补偿柜作用工作原理原理图二次接线图
图片尺寸551x800
某配电厂电气高压电容柜进出线图纸
图片尺寸1440x1020
智能电容柜原理图_co土木在线图纸下载
图片尺寸560x403
10kv高压无功自动电容补偿柜 电容补偿柜原理图 电抗率6%
图片尺寸821x569
高压电容柜图纸一主柜一辅柜
图片尺寸1440x1020
【广德县】某单位电容补偿柜电气原理图
图片尺寸1440x1020
电容补偿柜
图片尺寸605x424
某高压电容补偿柜电气图纸
图片尺寸443x520
ggj型电容器柜设计图免费下载 - 电气图纸 - 土木工程网
图片尺寸312x249
【电容柜】电容柜_cad图纸下载_土木在线
图片尺寸699x249
10kv电容器保护装置信号回路图等,图纸内容完整,表达清晰,制图严谨
图片尺寸610x426
低压电容器柜控制原理图
图片尺寸1662x817
电容主柜原理图
图片尺寸560x403
某电容柜原理图免费下载 - 电气图纸 - 土木工程网
图片尺寸309x250
10路电容主柜原理图cad图纸
图片尺寸610x432