电抗器接线图

变频器专用输入输出电抗器/调速变频器132kw/电流290a 电抗器
图片尺寸1549x1866
进出线电抗器
图片尺寸600x569
供应电容器专用电抗器串联电抗器_接线图分享
图片尺寸899x500
hy输入输出电抗器
图片尺寸580x193
电抗器接线方式
图片尺寸663x269
櫩u耥u{ni
图片尺寸1189x1197
串联谐振电抗器全分类讲解
图片尺寸669x465
变频器用进线电抗器 dn-aci-200
图片尺寸2083x1216
10kv电抗器接线图
图片尺寸400x289
厂家直销平波电抗器变频器配套电抗器pk单相电抗器三相电抗器
图片尺寸790x850
单相吊扇带电抗调速的接线图
图片尺寸489x504
串联电抗器
图片尺寸539x289
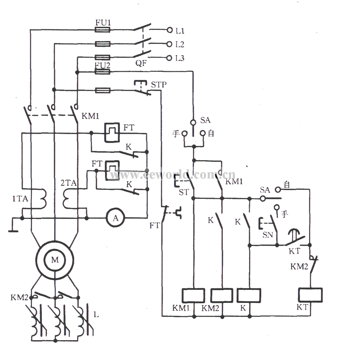
高压电动机电抗器启动二次回路图
图片尺寸922x453
电抗器的作用和接线方法
图片尺寸446x278
基于三相并联电抗器的电缆线路交流耐压试验方法及系统
图片尺寸1442x587
温州九雁 直销 低压 交流电抗器 三相输出电抗器220kw
图片尺寸934x374
变频器直流电抗器周边元件接线
图片尺寸973x528
串联电抗器接线图
图片尺寸635x285
发电机组电抗器移相电流叠加相复励自励恒压装置河北发电机
图片尺寸600x615
电抗器接线原理图
图片尺寸473x373