电脑线路图

pc电脑电源简介标准功率电压线路图
图片尺寸1820x1290
电脑主机的be-150型开关电源电路
图片尺寸1568x1083
pc机台式机开关电源电路原理附原理图
图片尺寸920x1302
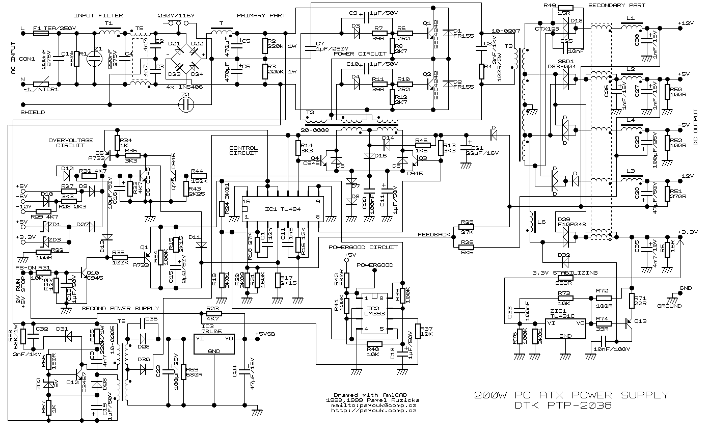
300w计算机开关电源电路图
图片尺寸1789x1179
电脑插线总教程,小白必看图文总教程.主板插线,电源供电线,风 - 抖音
图片尺寸1064x1378
求助:dell(戴尔)hp-p2507fwp电脑主机电源线路图
图片尺寸1905x1269
电脑主板电路图830_30
图片尺寸1584x1223
经检测,该故障笔记本电脑在待机时正常,如图1所示为该故障笔记本电脑
图片尺寸2939x1522
东南富利卡4g64发动机电脑版线路图
图片尺寸2000x1298
台式电脑电源高手修理,短接绿黑线风扇转一下就停.
图片尺寸1485x939![[电脑][主板] 主板电路图](https://i.ecywang.com/upload/1/img1.baidu.com/it/u=2620991275,3423413793&fm=253&fmt=auto&app=138&f=JPEG?w=760&h=500)
[电脑][主板] 主板电路图
图片尺寸1567x1031
笔记本电脑供电电路故障的诊断方法 3
图片尺寸2125x1853
笔记本电脑供电电路故障的诊断方法
图片尺寸2602x2107
典型计算机主板cpu供电电路
图片尺寸1728x964
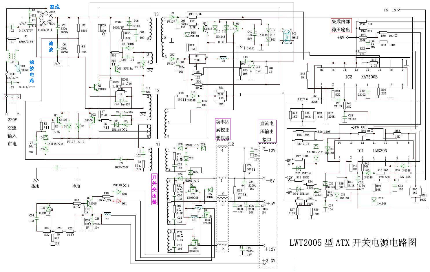
电脑电源线路图电脑电源电路图大全
图片尺寸1392x850
典型计算机主板的cpu供电电路原理图
图片尺寸1656x1150
几个显示器的电路图.rar
图片尺寸2000x1393
日产天籁ecm电子控制单元电脑电路图
图片尺寸2500x1696
故障总结:在笔记本电脑的检修过程中,要特别注意对开机过程中时序的
图片尺寸2903x1642
长城电脑电源电路图
图片尺寸1818x1066