矿灯电路图

基于sp7611a的矿灯电路
图片尺寸697x554
带指示器的矿灯充电电路图-机动车综合电路图-电子产品世界
图片尺寸403x234
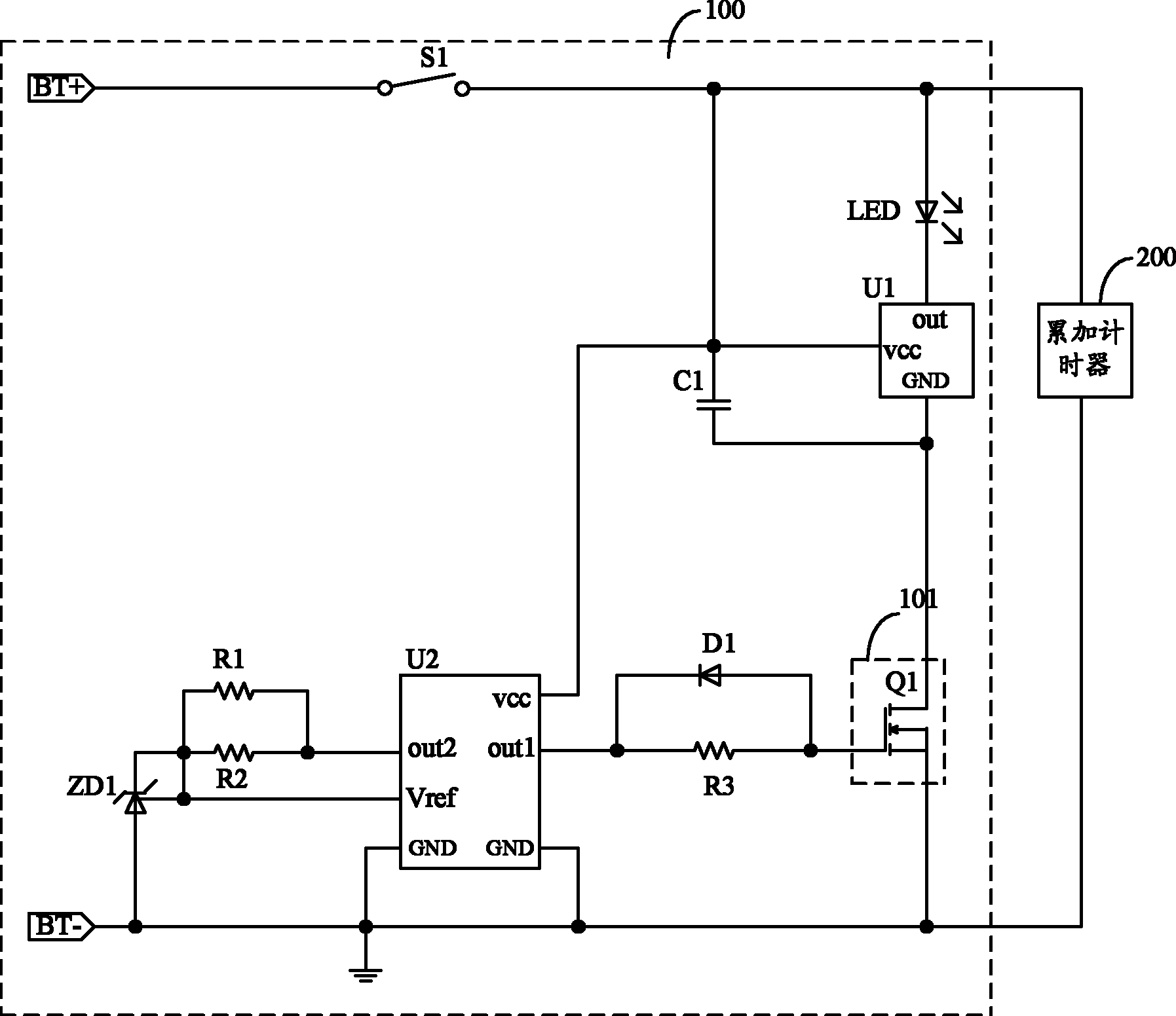
一种矿灯及其照明驱动电路
图片尺寸1795x1552
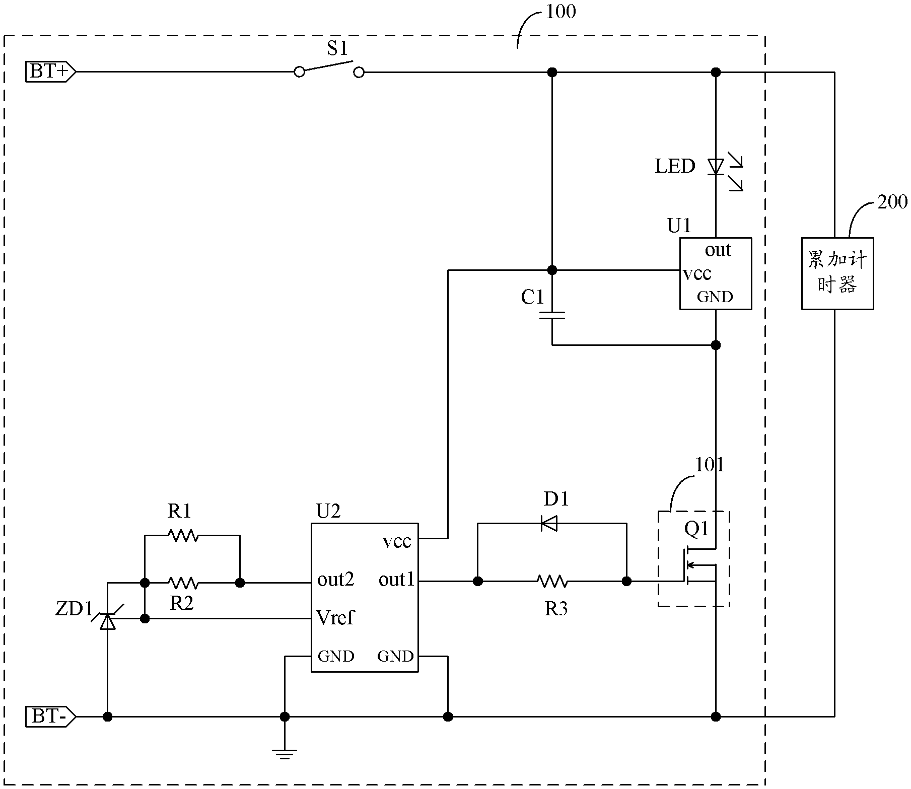
一种矿灯及其照明驱动电路
图片尺寸1809x1567
一种高功率因数led工矿灯控制电路
图片尺寸1277x992
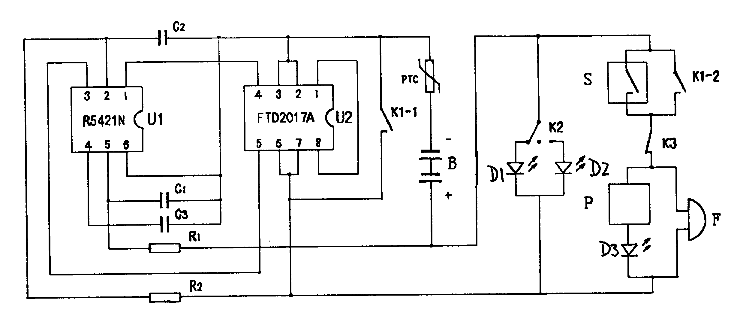
该瓦斯超限报警矿灯电路由检测放大电路和报警电路组成,如图8-29所示.
图片尺寸3037x1417
多功能锂离子电池救生应急矿灯
图片尺寸2456x1072
瓦斯超限报警矿灯二-其他基础电路图-电子产品世界
图片尺寸1663x1104
实用新型公开了一种一体式led节能矿灯,包括镜片,上盖,下壳体,电路板
图片尺寸2939x1575
电子电路装置的制造及其应用技术
图片尺寸1000x500
cn1865762a_带有闪烁光源的矿灯失效
图片尺寸1613x868
多功能轻便矿灯_cn201910444879.1_知雀网
图片尺寸1000x638
多功能轻便矿灯的制作方法
图片尺寸1000x477
sp7611a的矿灯应用电路详解
图片尺寸460x382
矿灯报警电路
图片尺寸992x380
包括壳体及其内部的控制电路,在壳体上安装有矿灯和矿灯开关,其主要
图片尺寸1815x1305
一种带有辅助光源的矿灯
图片尺寸709x398
一种智能矿灯充电柜包括电源,充电盒,液晶屏,电子门锁,单元控制电路和
图片尺寸1000x910
一种用于矿用灯的充电电路的制作方法
图片尺寸1000x407
井道照明灯双控系统
图片尺寸1701x1149