福禄克15b 图纸

福禄克15-17b电路总图.jpg
图片尺寸1000x676
福禄克fluke17b数字万用表高清电路图
图片尺寸2000x1414
福禄克fluck万用表电路图,收藏下以后坏了可以修一修
图片尺寸469x371
关于fluke15b与fluke17b的维修案例
图片尺寸592x399
关于fluke15b与fluke17b的维修案例
图片尺寸670x279
关于fluke15b与fluke17b的维修案例
图片尺寸613x368
author topic: fluke 8200a read problem. (read 4024 times)
图片尺寸1024x683
福禄克fluke17b数字万用表高清电路图
图片尺寸658x465
部分万用表电路图集
图片尺寸1017x695![fluke_17b电路图[完整版]](https://i.ecywang.com/upload/1/img1.baidu.com/it/u=3098893262,433056837&fm=253&fmt=auto&app=138&f=PNG?w=500&h=761)
fluke_17b电路图[完整版]
图片尺寸3276x4987
福禄克(fluke)17b万用表电路图(高清)
图片尺寸2000x1414
fluke第一代手持表背后的故事下
图片尺寸462x272
fluke 27系列数字万用表电路图
图片尺寸649x807
请对图调整ok 注r64优先调试 附fluke 15b/17b的图纸及参数资 )()
图片尺寸1174x610
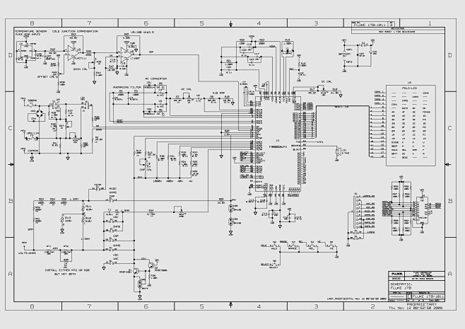
福禄克(fluke)17b数字万用表高清电路图
图片尺寸4781x1606
福禄克15b万用表搬板机故障维修
图片尺寸1920x1080
福禄克万用表怎么样 福禄克15b 开盒_什么值得买
图片尺寸680x907
万用表福禄克fluke15b f17b f101高精度数字电工15b万用表
图片尺寸800x800
求助fluke17b数字万用表电路图
图片尺寸774x636
尺寸图
图片尺寸600x600