立式转台结构

中大型转台的一种高性价比支撑&驱动方案-专业自动
图片尺寸600x287
一种立式高精度转台及其调节垂直度的方法与流程
图片尺寸734x786
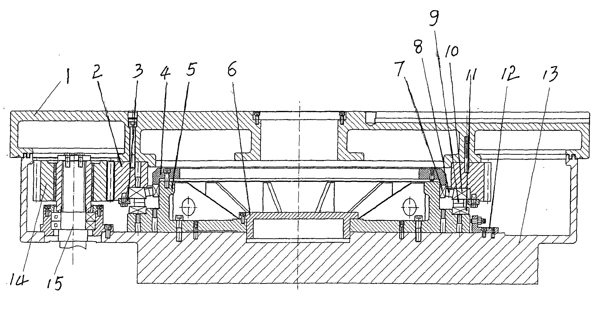
cn101596680b_一种高精度立式工作转台有效
图片尺寸2498x1276
cn212240280u_一种数控立式机床加工转台有效
图片尺寸2141x1437
一种高精度立式工作转台
图片尺寸2498x1276
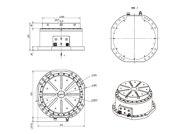
akribis新加坡雅科贝思-立式数控转台arv300
图片尺寸613x436
一种立式高精度转台及其调节垂直度的方法技术
图片尺寸766x1000
特别是指一种高回转精度的电机内藏式结构紧凑的精密直驱气体静压转台
图片尺寸894x501
cn101716728a_一种立式工作转台失效
图片尺寸1802x1114
一种立式五轴模拟运动仿真转台
图片尺寸986x1000
摘要附图摘要本实用新型公开了一种重载式旋转台,涉
图片尺寸1738x1068
cn100421874c_交流永磁同步外转子式力矩电机驱动的立
图片尺寸1836x2597
商标logo
图片尺寸1627x2122
1 机械台体结构 机械台体设计成一个双轴吊篮式转台,由空间正交的两个
图片尺寸447x350
随着数控控制技术的发展,立式加工中心配备数控转台组成的具备多轴
图片尺寸444x278
一种数控机床双驱调速转台的制作方法
图片尺寸444x343
立式车床的转台结构有哪些特点?
图片尺寸660x372
一种超宽速度范围的高精度单轴转台
图片尺寸1723x2089
一种可平衡倾覆力矩的重载三维转台,包括负载安装转盘
图片尺寸1686x1847
一种洞口预埋管道锚筋焊接转台装置-爱企查
图片尺寸368x272