箱变基础图

xylw箱式变电站箱变基础图cad
图片尺寸1440x1020
某电力公司箱式变电站部分基础施工图
图片尺寸1020x716
630箱变基础图
图片尺寸1106x1760
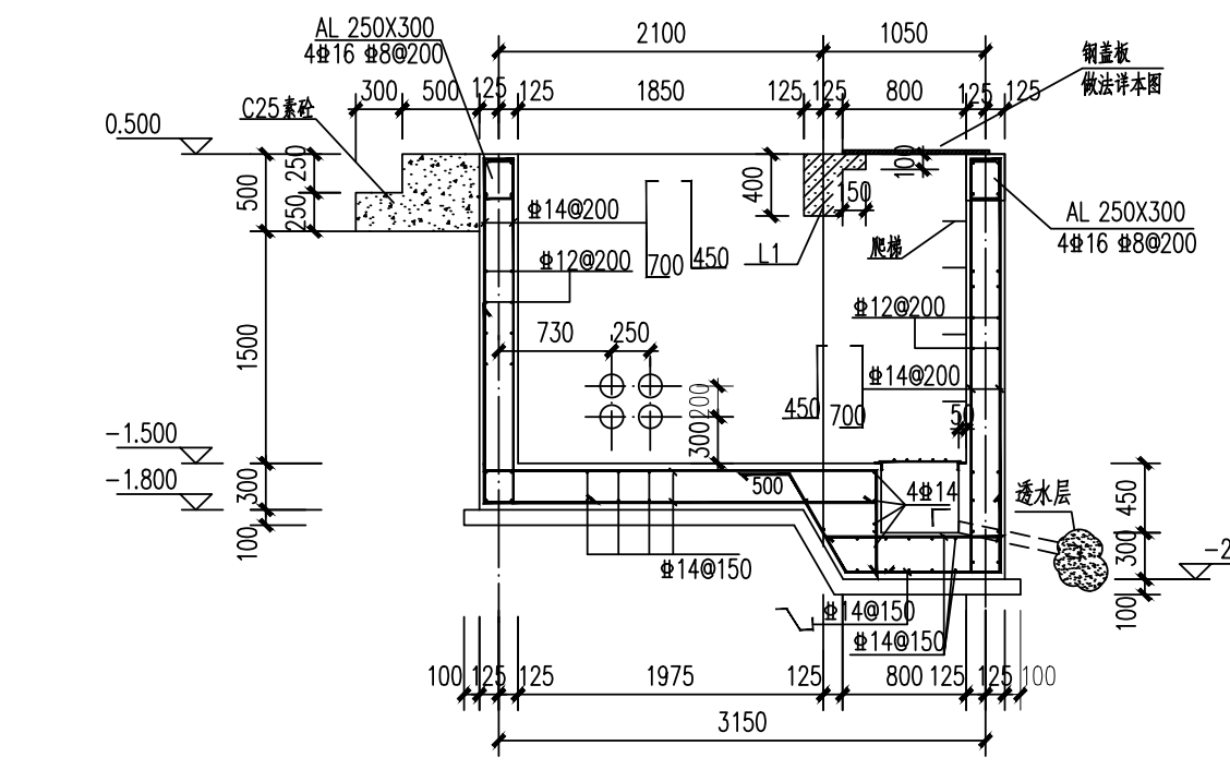
箱变基础示意图
图片尺寸587x459
市政道路照明工程箱变基础节点详图设计
图片尺寸1311x927
箱变基础怎么画
图片尺寸1131x748
内蒙古箱变基础
图片尺寸500x414
箱式变基础
图片尺寸3437x2409
预装式箱变基础图
图片尺寸1483x855
400kva箱变基础cad设计图纸
图片尺寸576x413
箱变基础图纸
图片尺寸1238x1753
箱式变电站地基图
图片尺寸564x387
800kva箱变基础图
图片尺寸636x459
箱变基础图
图片尺寸820x457
箱变基础内的集水坑需要有盖板吗
图片尺寸432x628
电力箱变基础施工详图
图片尺寸1003x714
箱变基础怎么画
图片尺寸1128x716
箱变基础制作图
图片尺寸750x532
10kv箱变基础cad图纸dwg
图片尺寸780x559
1000kva箱变基础图-t2
图片尺寸1567x997