结构剖面图

结构剖面图
图片尺寸517x395
三层复式框架结构户型为三层复式别墅施工图设计
图片尺寸1022x716
七层北京某办公毕设(含建筑结构图计算书)
图片尺寸552x482![[学士]五层框架结构教学楼毕业设计(含结构设计,建筑设计,计算书,毕业](https://i.ecywang.com/upload/1/img0.baidu.com/it/u=3457795341,1103880182&fm=253&fmt=auto&app=138&f=JPEG?w=500&h=375)
[学士]五层框架结构教学楼毕业设计(含结构设计,建筑设计,计算书,毕业
图片尺寸560x420
b-2(幽灵)隐形轰炸机结构剖面图.最近在网上流出的b2结构 - 抖音
图片尺寸1500x984
六层框架结构档案馆建筑施工图2018-1-1剖面图
图片尺寸2560x1920
四层钢筋框架结构厂房办公楼建筑剖面图
图片尺寸709x584
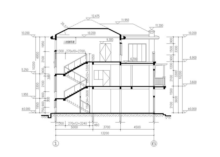
框架结构三层独栋别墅全套施工图 1-1剖面图
图片尺寸760x543
条式剪力墙结构住宅建筑剖面图
图片尺寸560x420
五层框架结构单身公寓建筑剖面图
图片尺寸560x420
某中型4层框架结构购物商场全套平立剖面设计cad图纸
图片尺寸610x432![[广东]现代风格砖混结构住宅楼别墅建筑施工图设计](https://i.ecywang.com/upload/1/img1.baidu.com/it/u=171276000,1390886726&fm=253&fmt=auto&app=138&f=JPEG?w=500&h=408)
[广东]现代风格砖混结构住宅楼别墅建筑施工图设计
图片尺寸1123x916
生物医药中间体项目生产车间结构施工图
图片尺寸608x467
砖混结构独栋别墅建筑施工图(含结构水电图)
图片尺寸760x543
特色景观墙节点详图(混凝土结构)
图片尺寸1184x711
厂房钢结构全套设计(计算书和图纸)
图片尺寸1262x892
日本木屋,裸露木结构 / royal house co.,剖面图
图片尺寸1547x1000
特色新农村独栋别墅(砖混结构设计)
图片尺寸977x839
4层健身中心框架结构施工图(平面桁架屋盖)
图片尺寸760x563![[学士]3878平米三层框架结构职工宿舍楼毕业设计(建筑图 结构图](https://i.ecywang.com/upload/1/img2.baidu.com/it/u=127493740,590420948&fm=253&fmt=auto&app=138&f=JPEG?w=560&h=420)
[学士]3878平米三层框架结构职工宿舍楼毕业设计(建筑图 结构图
图片尺寸560x420