芯片6250G原理图

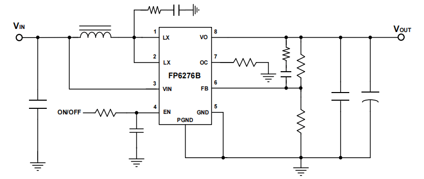
dc/dc 5v2a输出同步升压芯片-fp6276bxr-g1-同步升压带限流
图片尺寸834x352
7660pcb电路 - cadence allegro pcb 教程
图片尺寸682x407
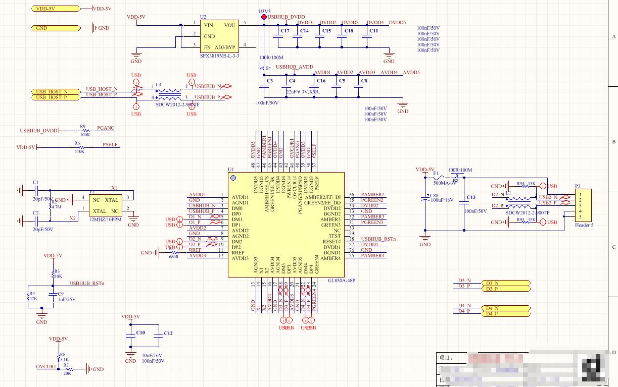
usb hub(gl850g)电路
图片尺寸698x579
stm32g474vet6 lqfp-100 arm cortex-m4 32位微控制器mcu芯片配单
图片尺寸360x360
usb hub(gl850g)电路
图片尺寸1084x860
gl850a 电路
图片尺寸3566x2257
哪些芯片令你印象深刻 是一代火龙888,还是上下通吃的骁龙778g 还是说
图片尺寸905x1280
led芯片原理与基础知识大全
图片尺寸442x370
高通平台显示这一块,自从去年开始,高通全面使用smxxxx命名的芯片比如
图片尺寸1080x556
6010主通道原理图
图片尺寸801x296
华为发布全球首款5.5g产品,比5g快10倍_mbps_芯片_时代
图片尺寸1338x882
tle6250g中文资料pdf_tle6250g芯片概述/特性/原理及引脚图等信息
图片尺寸1000x1000
采用atj2097主芯片的mp3
图片尺寸2773x2027
8脚电源芯片tb6806的电路图
图片尺寸551x348
有没有用过gl850g芯片
图片尺寸1223x767
添加标签3.延长引脚线2.放置排针1.添加芯片3.
图片尺寸1091x713
光通信产业链全景图_芯片_器件_全球
图片尺寸856x431
锂电池升压芯片ic电路图资料
图片尺寸864x332
锂电池升压芯片ic电路图资料
图片尺寸1386x464
放弃三星代工,消息称谷歌pixel 10中tensor g5芯片由台积电制造
图片尺寸1000x583