蓄热装置

真空相变电加温蓄热装置
图片尺寸678x266
真空相变电加温蓄热装置
图片尺寸1080x1232
蓄热式rto装置 - rto/rco - 无锡市科晶环保塑胶科技有限公司
图片尺寸1380x644
名称:高效相变蓄热装置
图片尺寸700x530
蓄热式热氧化燃烧装置(rto)(图2)
图片尺寸580x507
需要健康发展,各方应更加重视蓄热技术,推动建立从蓄热材料,蓄热装置
图片尺寸2048x1856
三室蓄热焚烧装置
图片尺寸500x373
rto蓄热式焚烧装置
图片尺寸570x375
莱西蓄热燃烧装置
图片尺寸399x323
蓄热式燃烧装置
图片尺寸720x540
rto蓄热式催化燃烧装置
图片尺寸800x269
蓄热式热氧化燃烧装置(rto)(图3)
图片尺寸580x501
蓄热式焚烧装置(rto) 高浓度挥发性有机废气的节能型环保装置
图片尺寸744x1325
蓄热式焚烧(rto)系统装置
图片尺寸600x483
蚌埠蓄热式焚烧装置
图片尺寸950x712
蓄热燃烧装置rto设计及运维的一些要点
图片尺寸1330x794
rto蓄热式系统装置设备
图片尺寸800x800
厂家直销青岛德尔环保rco蓄热催化燃烧装置
图片尺寸1920x1440
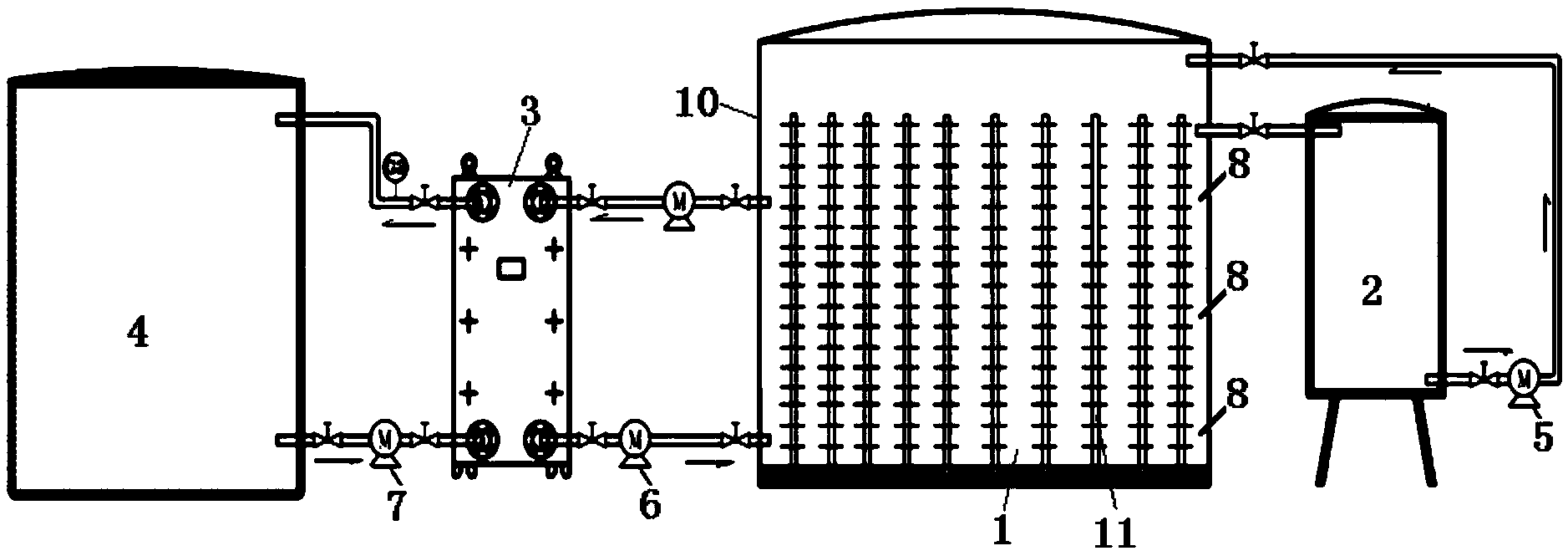
熔盐蓄热装置
图片尺寸1877x665
rto蓄热式焚烧装置
图片尺寸500x500