西门子300plc接线图

西门子s7-300常用模块接线参考图
图片尺寸637x560
西门子s7-300 plc全面接线图,电气人必须收藏!
图片尺寸640x1110
西门子s7-300 plc常用的模块接线图
图片尺寸752x584
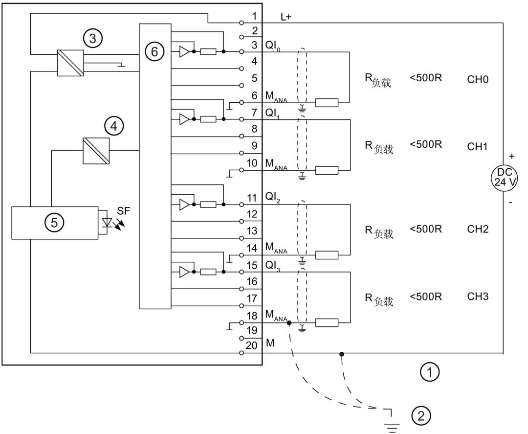
图解西门子s7300plc模拟量模块接线方法
图片尺寸1080x836
西门子300自学(一);常用模块实物接线图#工控 #plc - 抖音
图片尺寸1079x1447
西门子s7300plc的工作原理和全面接线图详细资料概述
图片尺寸645x1171
西门子s7300plc全面接线图电气人必须收藏
图片尺寸650x1145
图解西门子s7300plc模拟量模块接线方法
图片尺寸1080x861
西门子s7300plc模拟量接线图
图片尺寸1080x887
西门子s7300plc接线方法,所有模块,这次不一样哦
图片尺寸640x609
西门子s7-300 plc常用的模块接线图
图片尺寸759x582
图解西门子s7300plc模拟量模块接线方法
图片尺寸1080x789
模块)西门子s7-300常用模块接线图西门子plc实物接线图cpusr20 emdr32
图片尺寸728x705
西门子s7-300 plc常用的模块接线图
图片尺寸751x608
中国工控 |西门子plc实物接线图
图片尺寸1080x867
西门子s7300plc的工作原理和全面接线图详细资料概述
图片尺寸640x1088
西门子s7300plc接线方法所有模块这次不一样哦
图片尺寸638x624
安川g7接线端子图_图解西门子s7-300plc模拟量模块接线方法
图片尺寸720x471
西门子plc接线大全干货分享
图片尺寸640x710
西门子s7-300 plc常用的模块接线图
图片尺寸769x553