转盘结构设计

稳定转动的转盘结构的制作方法
图片尺寸1000x944
圆转盘驱动功率会随支撑轮的半径增加而增加不符合能量守恒?
图片尺寸709x495
一种双齿轮传动转盘结构的制作方法
图片尺寸956x1000
一种摩天轮的单管转盘结构的制作方法
图片尺寸975x1000
cn210941444u_稳定转动的转盘结构有效
图片尺寸1000x944
主动轮 锥型套结构通过同步带进行传动;大带轮带动整个转盘转动
图片尺寸677x604
收料转盘机构
图片尺寸300x225
一种转盘的制作方法
图片尺寸444x406
大转盘的旋转运动分析(轴承内外圈如何运动?
图片尺寸1147x645
一种包装机械的转盘结构制造技术
图片尺寸904x1000
本实用新型属于机械设计技术领域,具体涉及一种自动贴合设备转盘机构.
图片尺寸444x404
转盘机构二维图
图片尺寸820x579
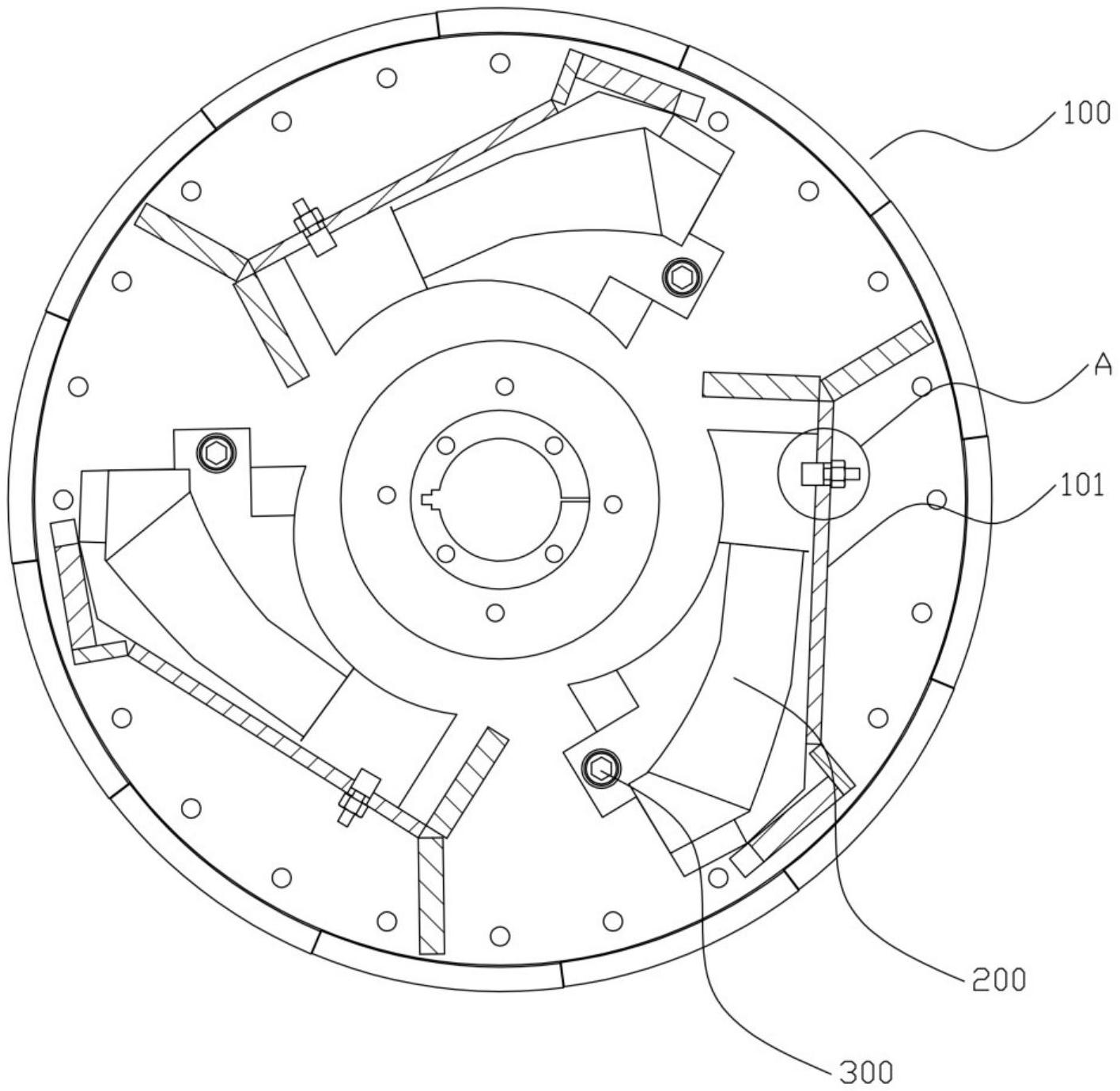
制砂机转盘装配结构
图片尺寸1416x1379
主动轮 锥型套结构通过同步带进行传动;大带轮带动整个转盘转动
图片尺寸622x540
一种带有软管支架的双色注塑机转盘结构的制作方法
图片尺寸840x1000
一种新型摩擦轮回转盘
图片尺寸549x552
双轴式旋转盘的制作方法
图片尺寸1000x735
背景技术:目前业内的焊钳转盘的转动结构采用两种安装方式,一种是装
图片尺寸1000x945
注塑机转盘结构的制作方法
图片尺寸1000x902
cn112830011a_一种折边袋包装机转盘结构在审
图片尺寸547x494