软启动器符号

软启动器工作原理 02广东电工证考 软启动器工作原理 软启动器工作
图片尺寸1695x1280
电源开关符号(电路图符号大全(电容,电阻,二极管,三极官,集成电路))
图片尺寸1258x1060
软启动器的定义及使用注意事项
图片尺寸625x687
气动元件符号
图片尺寸630x1010
数恩sjr3-3000 电机
图片尺寸750x766
【软起动器主回路接线方式】 晶闸管软启动器亦称电子式软启动器,俗称
图片尺寸1932x1280
电动机软启动器应用在探矿工程中
图片尺寸300x300
软启动器启动的55kw风机,加现场电容补偿箱,应该配置什么元件,怎么
图片尺寸367x441
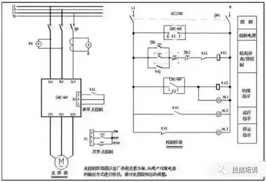
电气分享软启动器接线图文大全
图片尺寸540x371![常见电气元件图形符号一览表[1]](https://i.ecywang.com/upload/1/img2.baidu.com/it/u=3170645002,2135636370&fm=253&fmt=auto&app=138&f=JPEG?w=500&h=688)
常见电气元件图形符号一览表[1]
图片尺寸742x1021
图纸中的电气符号大全
图片尺寸640x912
45kw软起动器伊肯软启动380v电机启动器厂家直销全国包邮
图片尺寸822x707
湖北磁控软启动柜生产厂家
图片尺寸1163x554
软启动器应用接线图集_建筑电气图例符号节点图_土木在线
图片尺寸610x861
矢量电源按钮启动技术符号关闭标志图标. 平面象形文字简单图标
图片尺寸700x700
气动比例方向控制阀图形符号
图片尺寸550x405
液压机器符号解说 名 油泵 称 记 号 解 说 电动モータ运転と共に回転
图片尺寸1080x810
一种水泵电机高压软启动装置的制作方法
图片尺寸959x1000
西普软启动器特价str132l-3
图片尺寸500x344
二,常用电气图例及含义 图型符号 文字说明 常开触点 隔离开关 屏,台
图片尺寸1080x810