逆止器型号

重庆nyd型接触式逆止器
图片尺寸742x1000
njnyd型接触式逆止器
图片尺寸1086x1389
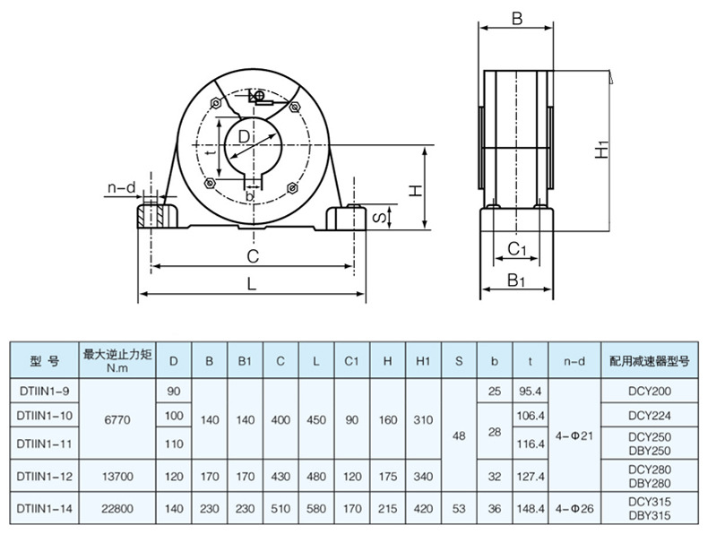
dtiin1滚珠逆止器 输送机逆止器 dby减速机逆止器 dcy减速机逆止
图片尺寸790x596
dtiin1-14型滚柱式逆止器矿用逆止器滚珠逆止器
图片尺寸754x1024
nf型非接触式逆止器
图片尺寸954x1300
dtii式带式输送机逆止器dtiin1-11 dcy250 dby250减速机_电机_型号_机
图片尺寸532x709
ckz-f超越离合器(逆止器)
图片尺寸550x762
源头工厂专业制造逆止器 nf10 nf16 nf25 非接触式逆止器
图片尺寸714x1021
接触式楔块逆止器 nyd420,nj420/ nyd450,nj450用于斗式提升机
图片尺寸1414x1920
nf型非接触逆止器nfnnfs型高速逆止器
图片尺寸1000x1287
nf型非接触式逆止器
图片尺寸700x925
ckl-c110320,ckl-c120360,ckl-c130400超越离/逆止器合器
图片尺寸571x786
型号:gn55滚柱式逆止器,gn70滚柱式逆止器,gn75滚柱式逆止器,gn80
图片尺寸667x902
溧阳ckzf非接触式电动滚筒用逆止器
图片尺寸745x785
nyd270型接触式逆止器矿用逆止器低速逆止器
图片尺寸754x1024
nj型接触式楔块逆止器
图片尺寸700x889
gn型滚柱逆止器的性能及主要尺寸
图片尺寸868x519
dtii型滚柱逆止器
图片尺寸992x1354
不锈钢法兰逆止阀立式止回阀h44w-16p尺寸图
图片尺寸650x800
带式输送机用逆止器1
图片尺寸861x678