透平机结构

一种轴承箱落地式高炉煤气透平机组
图片尺寸1000x548
一种单级高速透平机组的制作方法
图片尺寸578x420
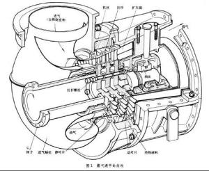
透平膨胀机结构图
图片尺寸1200x575
透平机内部结构
图片尺寸2114x1501
一种悬臂单转子结构的高炉煤气余压回收透平机
图片尺寸1521x1327
透平膨胀机培训课件ppt
图片尺寸1058x810
pta尾气透平技术简介
图片尺寸545x290
cn101749056a_自调多级直联式液力回收透平机失效
图片尺寸2888x1350
透平膨胀机的工作原理是什么是否跟pvnrt有关
图片尺寸483x382
一种立式多级蒸汽透平机制造技术
图片尺寸927x1000
气体轴承透平膨胀机_cn201821516922.8_知雀网
图片尺寸1000x586
透平膨胀机制冷一
图片尺寸400x405
一种低温液力透平
图片尺寸1917x2120
透平机组原理和系统介绍ppt课件
图片尺寸920x690
orc余热发电透平膨胀机与高速电机的配合结构
图片尺寸3319x1704
气体轴承后增压透平膨胀机-爱企查
图片尺寸1869x1160
cn101265814a_一种复合式透平膨胀机失效
图片尺寸1420x1410
燃气透平
图片尺寸300x246
高效后增压可调喷嘴气体轴承透平膨胀机
图片尺寸1768x1401
cn100460026c_医用血液透析滤过机有效
图片尺寸1880x2580