金华市卢向平

职务犯罪查办情况及预防对策综合报告等调研文章在市级以上刊物发表
图片尺寸400x550
金华职业技术学院教师名录
图片尺寸2122x3000
给生命一个开花的理由
图片尺寸2510x2160
金华职业技术学院教师名录
图片尺寸364x512
怀化市政协委员,农工怀化学院支部主委蒋茂柏发言.
图片尺寸800x533
金华职业技术学院教师名录
图片尺寸736x936
金华职业技术学院黄延锋
图片尺寸575x677
金华职业技术学院张春华
图片尺寸1440x1080
金华职业技术学院汪德华
图片尺寸1265x854
金华职业技术学院朱向军
图片尺寸750x1334
卢向平 摄在高效推进村内街道胡同硬化的过程中,各村群众自发参与路基
图片尺寸1080x1440
金华职业技术学院赵舒逸
图片尺寸1269x1836
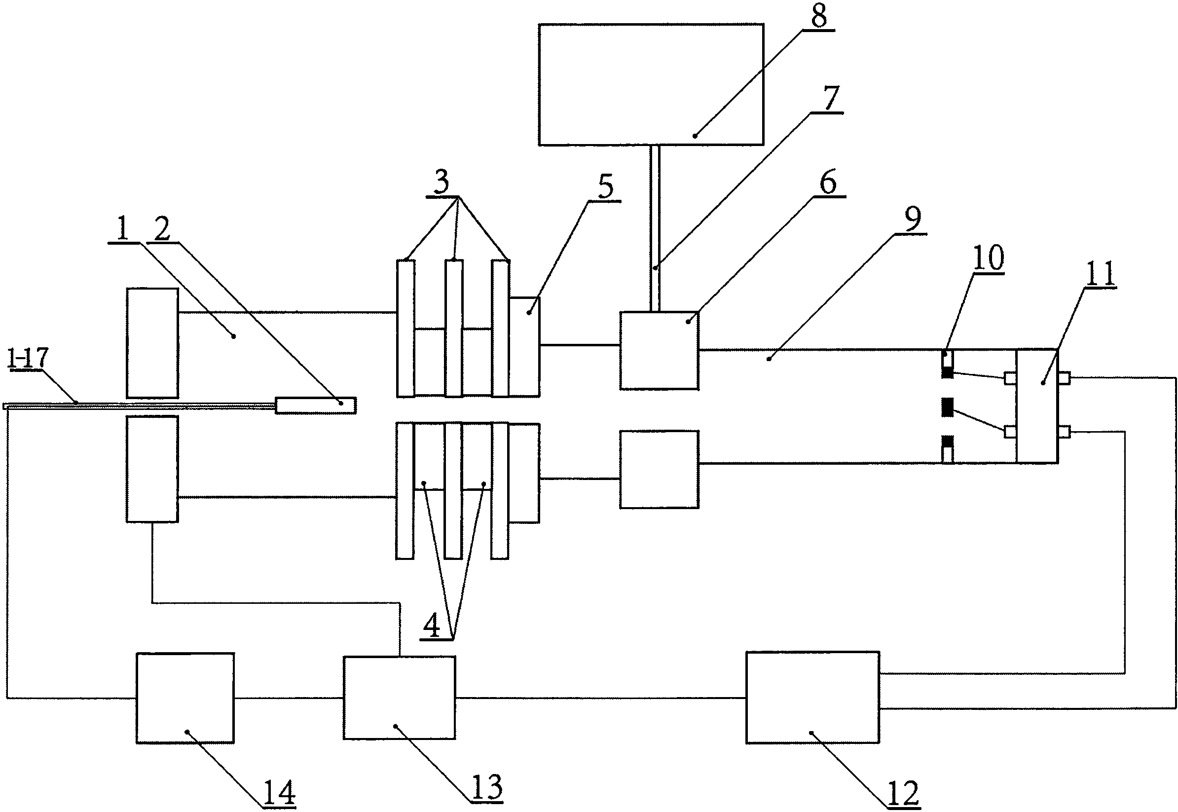
cn207458884u_一种等离子体阴极电子枪有效
图片尺寸2388x1646
日:2021-03-09申请公布日:2022-01-18申请人:金华职业技术学院发明人
图片尺寸400x568
流失海外的中国文物超过1000万件,民国文物贩子卢芹斋罪莫大焉
图片尺寸640x501
1915年,美国政府为了庆祝巴拿马运河通航,在旧金山市举办了为期几个月
图片尺寸640x293
【西楼文苑】2022年总(341)期【现代诗一组】作者//平台诗友
图片尺寸240x240
秋芦飞雪2017西溪摄影大赛奖项揭晓
图片尺寸1024x416
组稿:张平老师_辽西大地文学社_都市头条
图片尺寸281x220