针状铁素体

x70,x80管线钢针状铁素体组织金相照片
图片尺寸800x574
针状铁素体的形成对焊接接头组织细化影响
图片尺寸472x354
主题:【求助】正火后的大量针状铁素体
图片尺寸690x517
主题:【求助】正火后的大量针状铁素体
图片尺寸690x517
白色网状,针状,块状组织为铁素体,黑色部分为珠光体
图片尺寸352x264
主题:【求助】正火后的大量针状铁素体
图片尺寸690x517
张博士说焊接焊缝中的针状铁素体
图片尺寸473x354
主题:【求助】正火后的大量针状铁素体
图片尺寸690x517
广东肥料饲料分析检测中心
图片尺寸589x442
铁素体到底是组织还是相?
图片尺寸439x294
铁素体
图片尺寸398x365
133针状铁素体侧板条铁素体侧板条铁素体图片针状铁素体图片acicular
图片尺寸3150x896
x70,x80管线钢针状铁素体组织金相照片
图片尺寸548x412
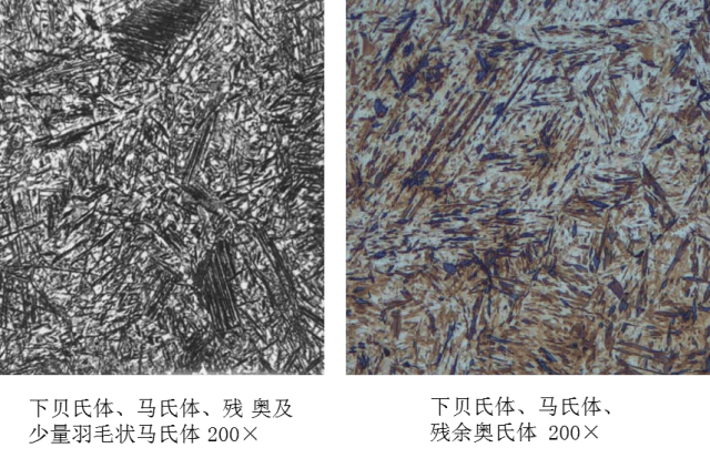
铁素体200×铁素体500× 轧制电工纯铁铁素体500× 退火态奥氏体在
图片尺寸830x1066
cn103512910a_一种辨识针状铁素体组织中大角度晶界的简便方法失效
图片尺寸912x832
铁素体 (其他机械工程相关)
图片尺寸425x402
铁素体
图片尺寸1000x750
(3)粒状贝氏体:外形相当于多边形的铁素体,内有许多不规则小岛状的
图片尺寸963x636
其典型形态是一束大致平行位向差为6~8od铁素体板条,并在各板条间分布
图片尺寸640x413
金相分析金属金相组织中铁素体和奥氏体如何区别
图片尺寸388x301