钢套管图集

哪位有刚性防水套管a型02s40415页节点图
图片尺寸3201x2310
展开全部 刚性防水套管,别称:钢套管.
图片尺寸1024x723
刚性防水套管施工图集
图片尺寸920x1302
人防密闭套管 07fd02穿墙防水套管密闭肋
图片尺寸1505x1061
刚性防水套管(a型)大样图1:钢制套管 :翼环 :挡圈 刚性防水套管
图片尺寸496x548
人防穿线防护套管镀锌人防气密测量管dn25穿线组合钢管套
图片尺寸1654x1169
防水套管02s404图集下载
图片尺寸800x582
02s404防水套管
图片尺寸1236x892
给排水国标图集02s404防水套管pdf26页
图片尺寸1926x1386
17r410图集113页钢性防水套管壁厚是多少怎么算啊
图片尺寸1273x862
01r409管道穿墙,屋面防水套管
图片尺寸1199x865
02s404防水套管
图片尺寸3215x2319
02s404刚性防水套管
图片尺寸1156x600
密闭套管刚性防水套管安装图集
图片尺寸893x862
07fd02人防电气密闭套管dn806个一组镀锌管人防组合套管刚性防水套管
图片尺寸800x560
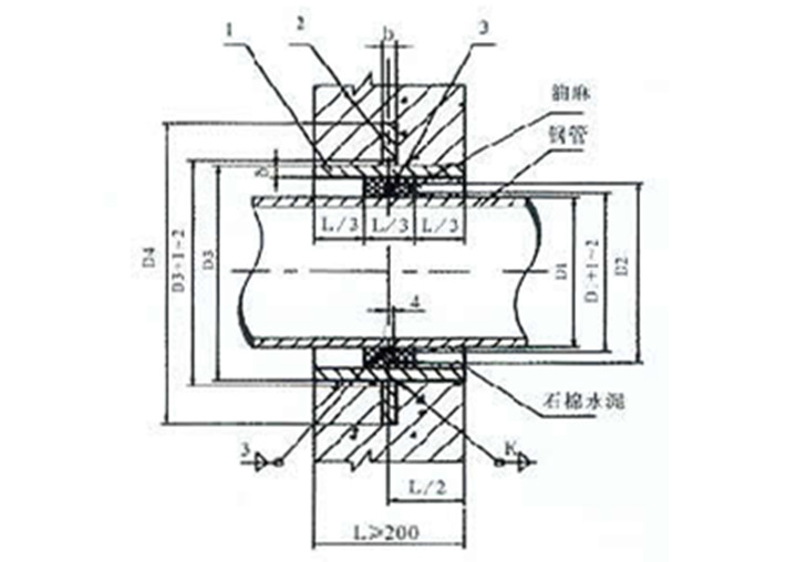
02s404国标钢套管 a型刚性防水套管 钢性防水套管 预埋防水钢套管
图片尺寸720x508
grt型02s404国标柔性防水套管 ab型预埋钢套管 人防密闭防水套管
图片尺寸1240x1444
河南巩义万通给排水07fs02图集防护密闭套管刚性防水套管碳钢
图片尺寸800x566
02s404刚性防水套管
图片尺寸888x565
不锈钢人防防护密闭钢套管 国标dn100止水套管a型b型刚性防水套管
图片尺寸750x646