钢管柱节点板

钢结构柱脚板
图片尺寸2667x2000
常用钢结构节点
图片尺寸1280x960
钢管混凝土柱顶部与夹心混凝土组合板节点
图片尺寸1681x923
圆钢管柱梁节点照片
图片尺寸497x347
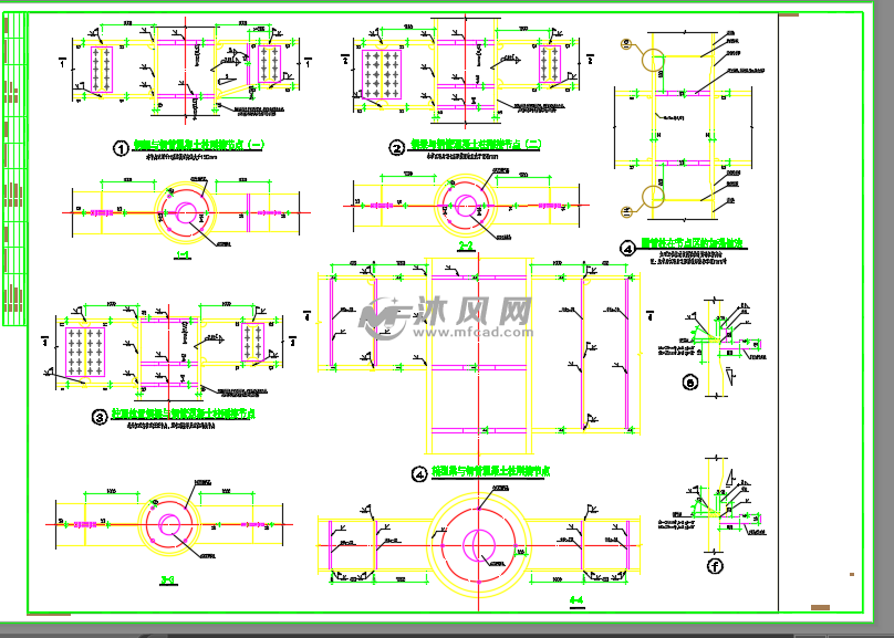
某市钢管混凝土柱大样及连接节点详图
图片尺寸1440x1020
某地铁站拟作顶板采用钢管混凝土柱
图片尺寸2560x1920
楼层梁柱节点
图片尺寸1500x1000
北京中材建虹国际轻钢板材有限公司
图片尺寸600x450
节点板
图片尺寸760x583
本发明公开了一种全装配式方钢管梁柱节点及建造方法,包括:上节点板
图片尺寸1950x1260
某钢管柱脚连接节点构造详图
图片尺寸483x546
钢管柱柱脚混凝土施工技术总结
图片尺寸513x400
钢结构中,当采用钢管混凝土柱与h型钢梁结构时,其梁柱节点常用环板式
图片尺寸532x231
钢管混凝土柱节点图
图片尺寸808x577
厦门会展钢管柱节点
图片尺寸655x500
钢结构梁柱端板节点
图片尺寸552x576![[分享]钢管柱焊接牛腿资料免费下载](https://i.ecywang.com/upload/1/img1.baidu.com/it/u=739150185,3573904724&fm=253&fmt=auto&app=138&f=JPEG?w=560&h=460)
[分享]钢管柱焊接牛腿资料免费下载
图片尺寸560x460
横纵箱形粱与钢管柱的连接节点!
图片尺寸560x420
斜板节点
图片尺寸593x539
大家好,这样套钢管柱的清单子目对吗?
图片尺寸518x282