钢箱梁断面

一种典型的钢箱梁断面图示意图
图片尺寸614x386
高铁箱梁断面图
图片尺寸920x651
钢箱梁标准横断面图(单位:mm)
图片尺寸1536x446
典型新建段钢箱梁截面示意图
图片尺寸560x343
城市立交钢箱梁工程施工方案(425页)
图片尺寸726x468
工程动态太原南站东广场高架桥钢箱梁工程首节段钢箱梁顺利通过验收
图片尺寸640x480
箱梁横断面图
图片尺寸760x565
箱梁普通钢筋断面图
图片尺寸992x562
六层枢纽立交工程叠合梁钢箱梁钢结构吊装方案103页a3版word(附图精美
图片尺寸661x401![[河南]含brt通道现浇预应力三跨变截面连续钢箱梁高架桥市政道路施工](https://i.ecywang.com/upload/1/img1.baidu.com/it/u=967365034,2441832468&fm=253&fmt=auto&app=138&f=JPEG?w=500&h=323)
[河南]含brt通道现浇预应力三跨变截面连续钢箱梁高架桥市政道路施工
图片尺寸560x362
预制箱梁典型横断面图cad素材
图片尺寸1000x400
桥梁设计讲义之三简支梁板桥结构与施工pdf263页
图片尺寸719x488
箱梁断面图
图片尺寸1075x636
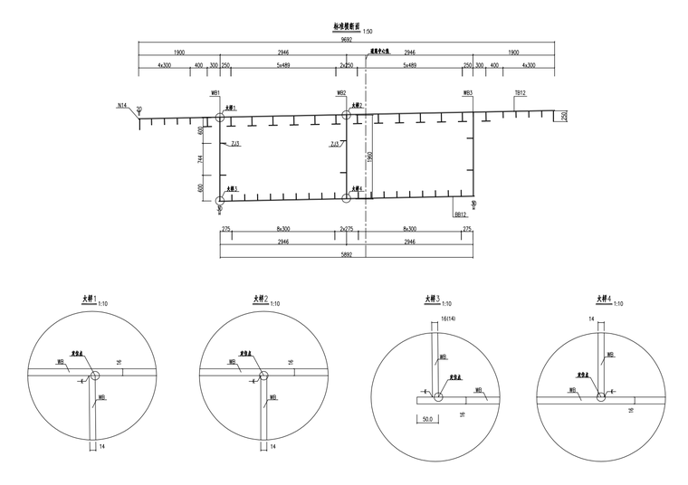
钢箱梁标准横断面.png
图片尺寸760x536
高速铁路箱梁解剖断面模型
图片尺寸700x497
土木工程系河上连续刚构桥毕业设计
图片尺寸760x221
分享小箱梁断面资料下载
图片尺寸721x586
跨河大桥焊接收缩及温度对钢箱梁安装的影响
图片尺寸1890x656
3m宽三跨单箱六室变截面连续钢箱梁加工方案25页
图片尺寸640x480
钢箱梁边墩分段处断面图
图片尺寸760x426