钻床原理图

z35钻床电路图
图片尺寸684x470
zw3225型车式万向摇臂钻床电路运行原理讲解
图片尺寸1800x996
z3040型摇臂钻床电气原理图电路电路
图片尺寸1302x772
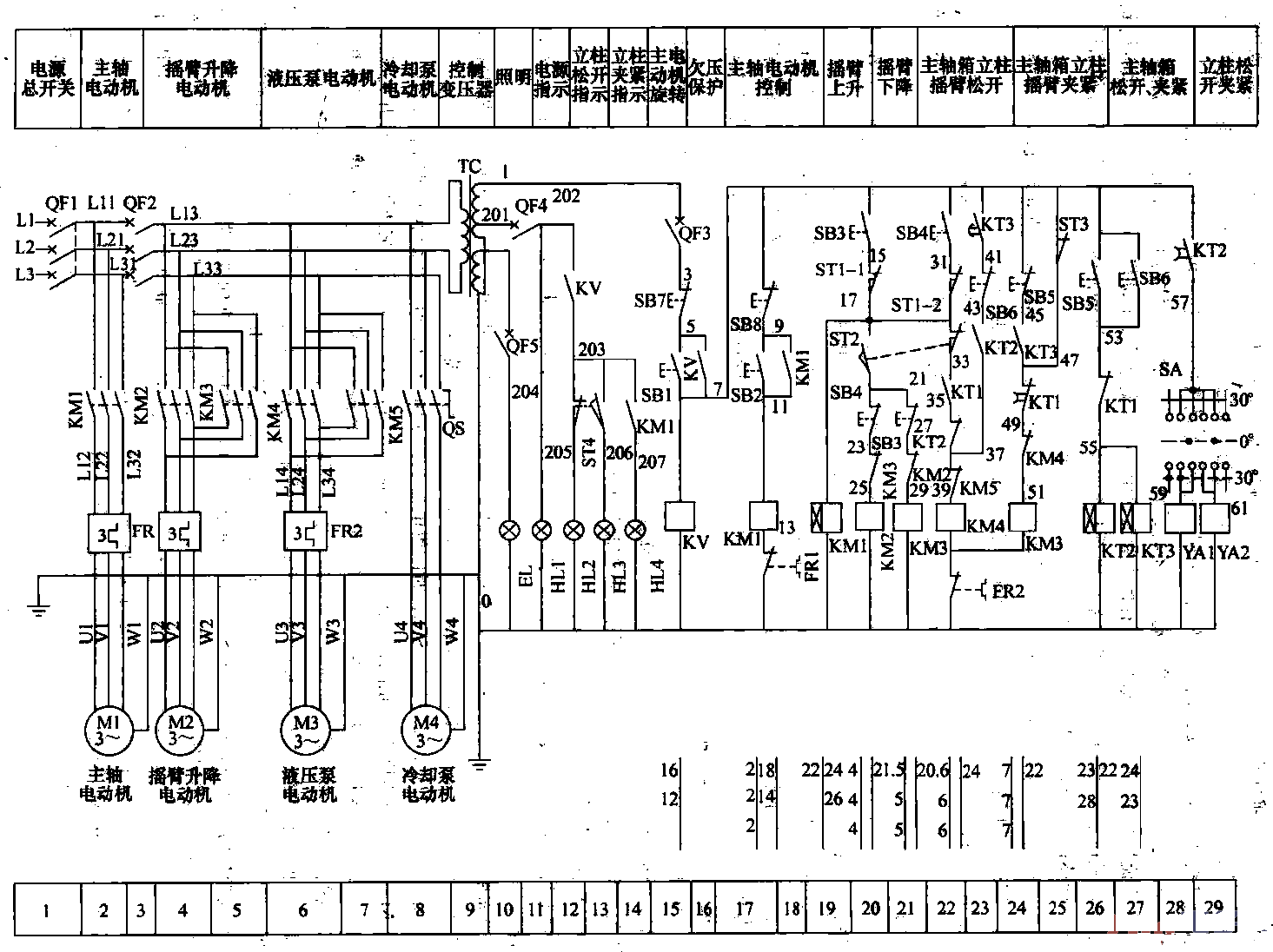
实训考核装置电路图 z3050型摇臂钻床电气原理图及故障点
图片尺寸370x1019
z3040型钻床电路
图片尺寸1465x1096
zw3225型车式万向摇臂钻床电路运行原理讲解
图片尺寸1800x996
zw3225型车式万向摇臂钻床电路运行原理讲解
图片尺寸1800x996
z3050摇臂钻床电路原理与维修doc
图片尺寸920x651
zw3225型车式万向摇臂钻床电路运行原理讲解
图片尺寸1800x996
zw3225型车式万向摇臂钻床电路运行原理讲解
图片尺寸1800x996
zw3225型车式万向摇臂钻床电路运行原理讲解
图片尺寸1800x996
c786-z3050摇臂钻床电气控制系统设计-机械机电-龙图网
图片尺寸993x705
z3050摇臂钻床电路原理跟维修.doc
图片尺寸792x560
求z3080钻床电气原理图
图片尺寸640x402
z3050×16/1沈阳中捷摇臂钻床电气图.那位大哥有,发给我 非常感谢!
图片尺寸585x497
z525型立式钻床电路
图片尺寸608x476
立式钻床结构原理
图片尺寸800x599
z32a,z32k,z3025j型摇臂钻床 strong>电气原理图 /strong> strong>
图片尺寸1301x770
z3040摇臂钻床电气控制原理图
图片尺寸783x426
z37摇臂钻床电气图
图片尺寸764x1030