铣刀头画法

铣刀头装配图中4Φ20属于尺寸
图片尺寸748x517
铣刀头装配图及零件图
图片尺寸920x1302
铣刀头装配图及零件图
图片尺寸920x1302
铣刀头装配图
图片尺寸1591x1111
用cad用怎样画铣刀
图片尺寸4095x2303
旺旺旺
图片尺寸720x432
硬质合金螺旋齿玉米铣刀的优点有哪些?
图片尺寸392x525
铣刀头装配图及零件图
图片尺寸800x1132
cn87215410u_一种t形槽铣刀失效
图片尺寸2688x1856
10 铣刀头装配图
图片尺寸480x363
铣刀头零件图cad图纸
图片尺寸873x378
cn101237954b_铣刀头失效
图片尺寸1276x994
装配图的 内容和表示法(续1) ) 铣刀头装配图 回特殊画法规定 回尺寸
图片尺寸1080x810
一种铣削刀具
图片尺寸1690x1986
一种四刃铣刀的制作方法
图片尺寸1000x391
cn2089379u_加工方孔及端部r的成型铣刀失效
图片尺寸1344x2672
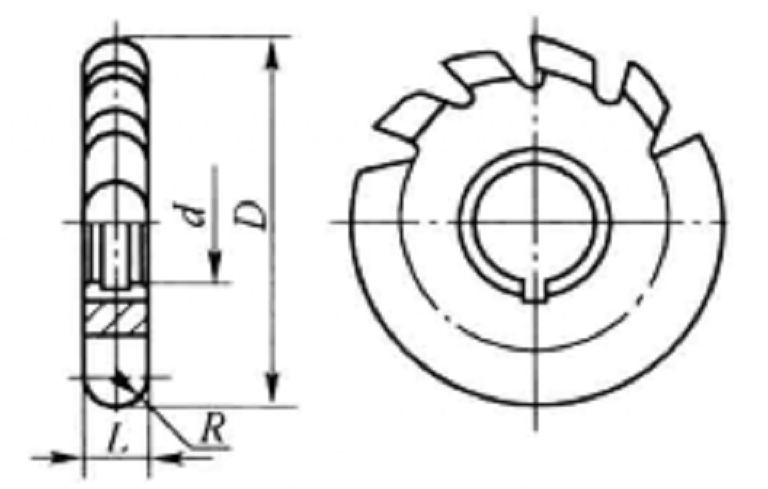
成形铣刀
图片尺寸768x489
hrc45球头立铣刀2刃4刃
图片尺寸370x330
立铣刀各部分的名称和刃数
图片尺寸466x330
a55中国台湾日绅铣头
图片尺寸2203x1410