闭锁电路图

深入浅出汽车电器电路 - 车门闭锁器 - 百度文库
图片尺寸700x609
求10kv双电源闭锁原理图及解析
图片尺寸800x800
请解释下闭锁电压及其作用 谢谢!
图片尺寸450x296
cn206961704u_一种监测10kv合闸闭锁回路的电路有效
图片尺寸1711x1698
闭锁回路电气原理图 2.2 分闸回路
图片尺寸1080x1121
一种母线地刀的电气闭锁电路
图片尺寸1460x616
变电站隔离开关和断路器闭锁原理
图片尺寸858x464
延迟闭锁电路-爱企查
图片尺寸1496x1743
电气机械闭锁问题!
图片尺寸494x296
图纸解释.
图片尺寸1088x764
cn110349782a_一种电气五防闭锁回路在审
图片尺寸2389x1321
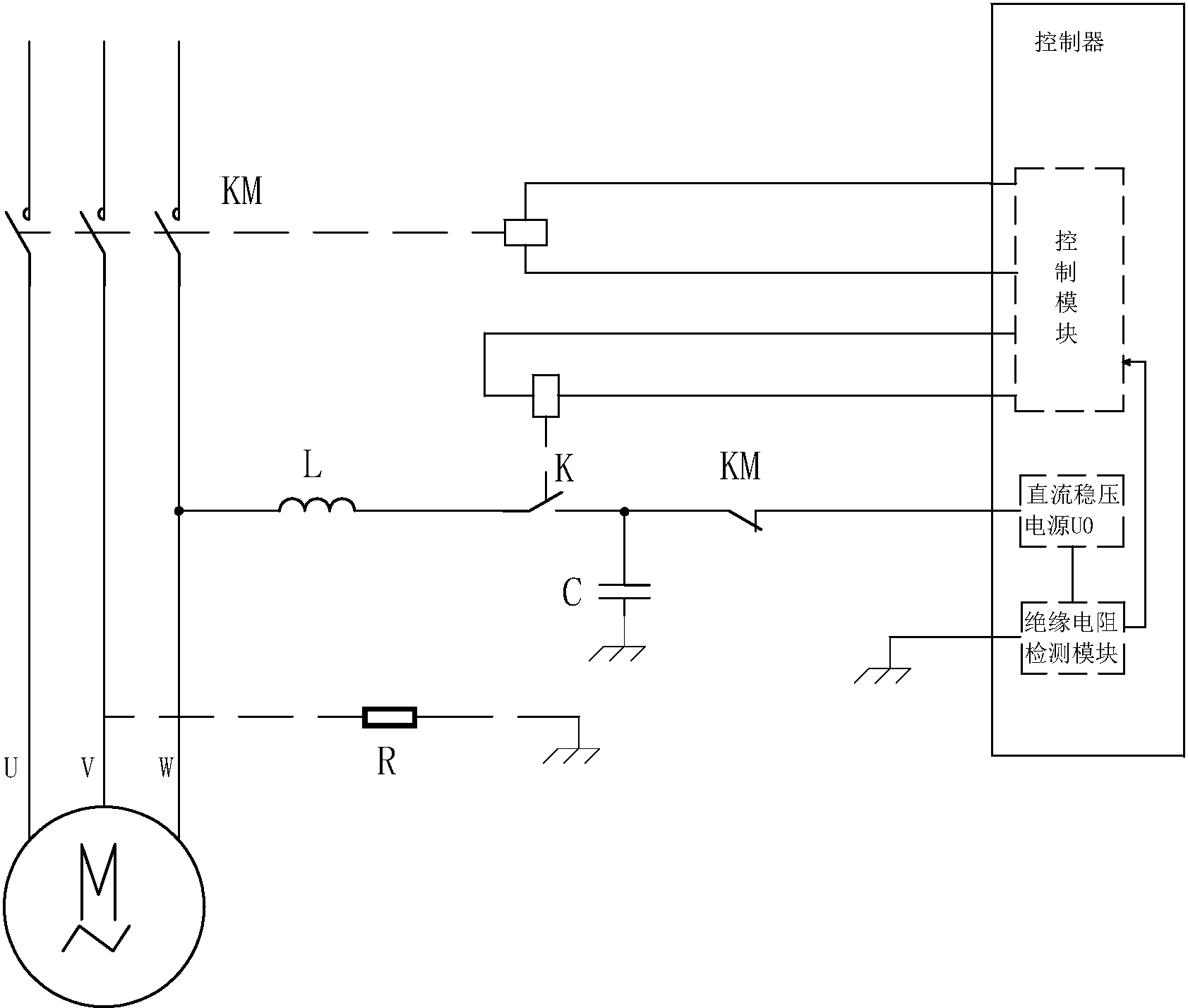
一种煤矿井下电机漏电闭锁装置
图片尺寸1683x1428
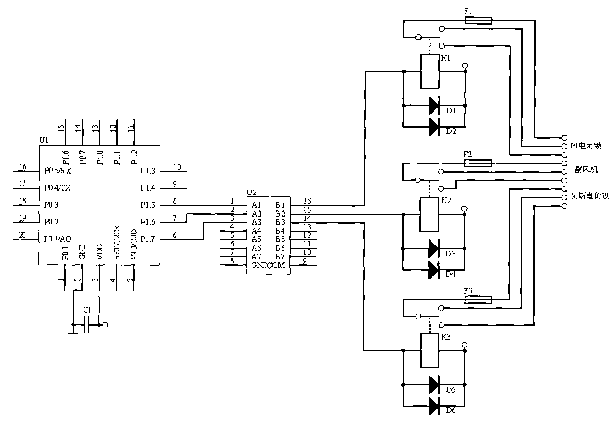
cn201526485u_局扇风机闭锁控制电路失效
图片尺寸1950x1350
漏电闭锁原理图
图片尺寸386x311
隔离开关的操作闭锁回路解决方案华强电子网
图片尺寸257x355
复合电压闭锁的变压器失灵
图片尺寸450x515
cn207530526u_一种采用双电源驱动的电机闭锁保护电路有效
图片尺寸1865x1963
复合电压闭锁过流保护浅析_尹立志
图片尺寸846x533
控制电路联锁控制线路实验
图片尺寸3449x2059
高频闭锁信号
图片尺寸640x400