除湿机原理图

转轮除湿机的工作原理是怎么样的?除湿转轮的再生方式
图片尺寸1162x1280
家用除湿机的工作原理
图片尺寸431x472
按照工作原理不同,除湿机分为压缩式和吸附式两种,压缩式就好像一台
图片尺寸853x999
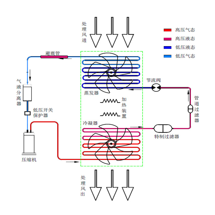
除湿机原理.jpg
图片尺寸590x448
转轮除湿机原理图
图片尺寸689x454
梅雨天为什么我死活不敢用空调除湿非用除湿机
图片尺寸515x253
供应风巢转轮除湿机 除湿干燥机
图片尺寸3524x2499
转轮除湿机工作原理
图片尺寸343x444
科普除湿机风机的工作原理性能特点及技术参数
图片尺寸656x623
东井全自动除湿加湿一体机 档案室实验室恒湿机 带rs485远程控制
图片尺寸750x500
东井tojje大棚种植管道吊顶除湿机 工业车间吸顶式除湿器150升/天
图片尺寸750x750
除湿原理图
图片尺寸600x400
注:组合式转轮除湿机组由:初效过滤段,前级表冷段,转轮除湿段,后表冷
图片尺寸1440x927
51溶液除湿系统
图片尺寸1175x765
低露点转轮除湿机
图片尺寸1864x854
小米智能家居又添新成员,米家智能除湿机22l真实体验
图片尺寸640x340
转轮除湿机的原理
图片尺寸800x430
工业除湿机原理图 工业除湿机内部结构图
图片尺寸785x574
初测一台美菱除湿机md65e
图片尺寸1920x1080
除湿机原理介绍及功能推荐
图片尺寸350x300