除湿机结构图

转轮除湿机基本结构与工作原理
图片尺寸970x917
冷冻除湿机工作原理—看看除湿机是如何工作的
图片尺寸650x577
家用除湿机的工作原理
图片尺寸431x472
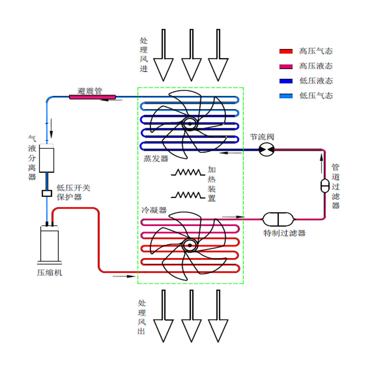
一种除湿机结构
图片尺寸1741x1417
转轮除湿机工作原理
图片尺寸343x444
供应风巢转轮除湿机 除湿干燥机
图片尺寸3524x2499
泳池除湿机结构示意图
图片尺寸554x322
南通除湿机车库地坪施工租赁出租地面干燥机10千瓦480升
图片尺寸638x327
"佐岛"除湿机拥有五大亮点,首先,其外形美观,结构紧凑,功能.
图片尺寸750x677
一种超低露点转轮除湿机
图片尺寸1997x753
室内除湿游泳馆除湿家用全屋新风除湿机
图片尺寸860x465
除湿机结构—除湿机的主要部件
图片尺寸500x273
东井dj1501e商用除湿机工业大功率除湿器仓库地下室除湿机批发
图片尺寸750x750
求立式(柜式)除湿机结构布置图
图片尺寸1000x1093
一种快速除湿机
图片尺寸973x1000
具有回返风罩和多孔阻尼挡风板的风冷电子式除湿机的制作方法
图片尺寸900x1000
冷冻式除湿机原理
图片尺寸376x318
转轮除湿机除湿机抽湿机ry400m小型转轮除湿机
图片尺寸814x641
调温除湿机结构及原理_企业动态_工业除湿机厂家
图片尺寸3568x1698
一种除湿机的制作方法
图片尺寸925x1000