零件草图怎么画

画零件草图
图片尺寸1585x2244
部件测绘 【绘制零件工作图】根据画好的装配图和零件测绘草图,绘制出
图片尺寸509x353
完整的从动轴零件草图
图片尺寸1080x810
练习草图(看图练)
图片尺寸1309x910
根据草图,画出零件图,急急急,谢谢
图片尺寸1024x769
长200mm轴零件铣键槽夹具设计
图片尺寸841x594
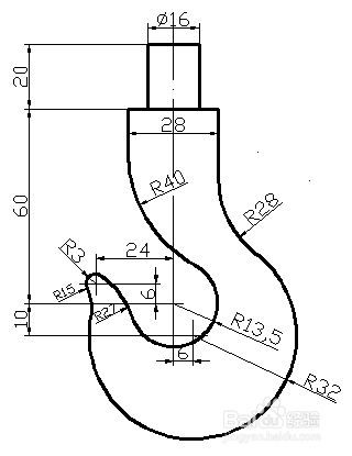
使用sw绘制吊钩的草图
图片尺寸320x415
收藏 选题 举一反三 (1) ①画出连接结构的设计草图(只需画
图片尺寸305x224
这零件图怎么画啊 求教大神啊
图片尺寸445x509
零件草图.dwg
图片尺寸1200x800
如何画出零件图,请大神指点(已知轴测图)
图片尺寸2560x1920
也出一个稍复杂草图的练习
图片尺寸1648x910
史上第197难的题目(赚积分草图)
图片尺寸1705x892
零件图的画法
图片尺寸555x404
零件图的画法
图片尺寸564x431
集第二版董振珂孙安荣主编求答案或者那位大神画下草图和标注下尺寸
图片尺寸720x960
零件34.png
图片尺寸1157x589
零件三:半圆夹子 在圆柱体端面上有个草图点, 也是用来做路径配合的.
图片尺寸640x503
零件草图标注未完成
图片尺寸820x675
零件6.jpg
图片尺寸1060x576