韧窝断口

韧窝断口
图片尺寸268x241
关节镜下左膝关节腔探查清理 取自体肌腱acl重建 sego
图片尺寸436x454
前交叉韧带断裂--取腘绳肌腱膝关节镜下重建前交叉韧带
图片尺寸2667x2000
无机材料物理性能第 2 讲ppt
图片尺寸1080x810
断口集fractures-1 韧窝 - 知乎
图片尺寸1882x779
断口赏析你的韧窝没有酒我却醉得像条狗
图片尺寸608x547
(a)纤维状韧性宏观断口 (b)微观典型韧窝形貌 韧性断口的宏辜鞍
图片尺寸1080x810
图8 断口韧窝形貌
图片尺寸372x788
头部断层解剖学-人体断层解剖学-课件-07ppt
图片尺寸1080x810
5×)在断裂试样上取断口在体视显微镜下观察,断口呈典型的笔尖状断口
图片尺寸1080x811
如题,分析断口形貌,韧窝断裂还是准解理断裂啊?搞不懂啊
图片尺寸692x800
图5 部分试样断口的宏观形貌
图片尺寸664x477
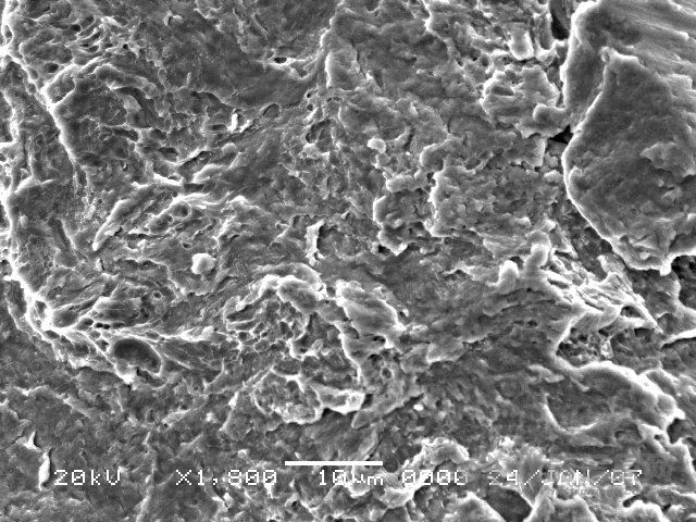
韧窝断口
图片尺寸640x480
【断口赏析】你的韧窝没有酒,我却醉得像条狗!
图片尺寸640x207
可能涉及到敏感图片,点击后可查看
图片尺寸640x480
货叉断口分析
图片尺寸552x413
断裂和韧窝断裂等端口分析,分析相当全面,78页 2讲 第裂纹断口分析 第
图片尺寸1080x810
42岁膝关节内侧副韧带断裂修复手术一例
图片尺寸1744x2755
距腓前韧带距骨侧撕裂1例
图片尺寸2000x2667
(1)断口宏观分析2.
图片尺寸989x487