高压包原理

电视高压包怎麼供电放电,diy能吗
图片尺寸614x537
我有一个废旧的电视机高压包,输出电压是35000伏的,用来做电老鼠机
图片尺寸720x522
高压包选购指南
图片尺寸454x261
请问黑白电视上的高压包八个引脚都是起什么作用?
图片尺寸500x361
请问高压包工作原理是什么?
图片尺寸1208x776
想问一下陈老师这个电路图中高压包的参数 如果做到300w 10kv 初级与
图片尺寸600x400
电容高压包产生高压电的原理是这样的:提供给高压包初级的点火的能量
图片尺寸640x275
供应吉隆牌高压包捷达100高压包,嘉陵jh125ignition coil
图片尺寸574x363
用一个黑白电视机的高压包把12伏的交流电升成高压电,请问怎么做?
图片尺寸470x244
康佳彩电高压包代换大全.doc
图片尺寸551x537
求高手 创维21nk9000电视机高压包的图纸
图片尺寸1434x734
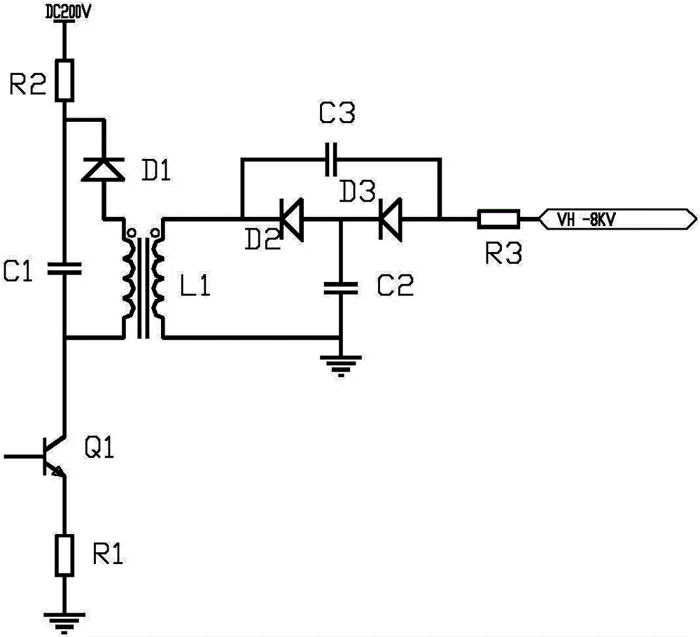
一种离子风机高压包
图片尺寸1000x910
用电视高压包制作高压发生器
图片尺寸1263x681
直流点火器,高压包和磁电机线怎么接啊
图片尺寸487x294
用黑白电视机行输出变压器做高压发生器最高可得多少电压
图片尺寸886x494
请大神讲解一下汽车氙气灯高压包原理
图片尺寸800x600
电视机高压包打火的处理办法
图片尺寸443x202
交流高压输电基本环节示意图 发 电 机 u1 u2 u3 u4 用 电 器 升压
图片尺寸1080x810
高压包
图片尺寸500x431
摩托车沙点火线圈-50cc cg-125cc 150cc 250cc 桔黄色高压包
图片尺寸1875x1563