高压电源设计

直流稳压电源设计—7805
图片尺寸1920x1080
标准的正负高压直流电源设计
图片尺寸640x342
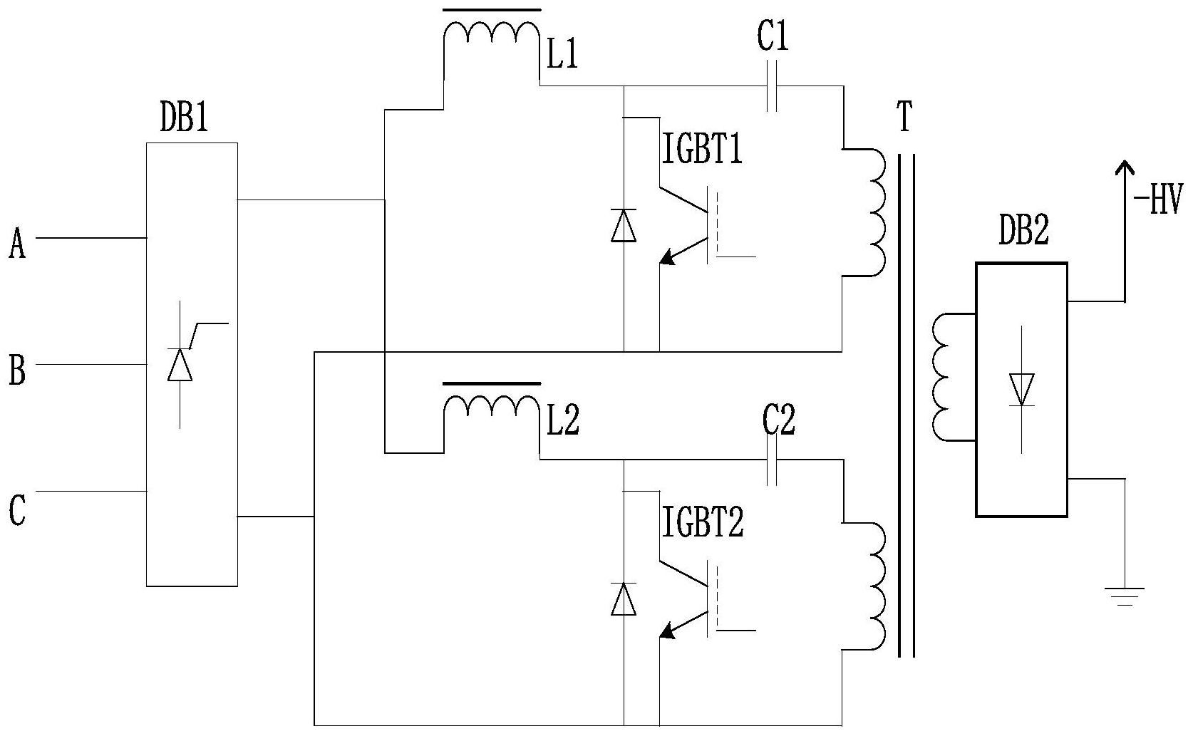
cn112104254a_一种静电除尘器用高压脉冲电源在审
图片尺寸1674x1033
固纬gw gpc-3060d直流稳压电源30v
图片尺寸3024x4032
一张图看懂开关电源 👇
图片尺寸690x908
容量 13kw 以下分布式电源 220v 并网配置方案
图片尺寸879x520
dcdc高压电源
图片尺寸1920x1920
数字可调式高压直流稳压电源的设计
图片尺寸970x1063
高压脉冲电源和高压功率放大器有什么区别?
图片尺寸1989x1162
高压电源可以定制
图片尺寸720x1280
二,rsc6218a 18w案例rsc6218a设计18w高效率电源驱动案例分享rsc6218a
图片尺寸2480x2664
设计电力电子技术领域的一项新型的直流稳压电源,尤其涉及一种高压
图片尺寸1000x622
内置高压非隔离电源 9-80w
图片尺寸800x800
效率高达95.8%!这家公司推出全国产300w电流模式llc电源解决方案
图片尺寸1920x1081
通信高压直流电源
图片尺寸734x398
高压可调脉冲开关电源设计合理吗?
图片尺寸844x468
proteus仿真实例_基于51单片机的高压直流电源设计(仿真文件 程序)24
图片尺寸1403x865
cn108607689a_一种基于倍压电路技术的静电油烟净化设备专用高压电源
图片尺寸1505x823
世纪新天双极性高频高压脉冲电源的应用技术分析及实例方案设计
图片尺寸1024x576
数字可调式高压直流稳压电源的设计
图片尺寸500x416