0201箱型结构图

瓦楞纸箱的基本式样 ① 0201型(平盖箱) ② 0202型(半叠盖箱)
图片尺寸1080x810
图12-25 02类纸箱基本箱型和代号
图片尺寸1471x968
【知识分享】熟悉的小"伙伴"——瓦楞纸箱简介
图片尺寸640x338
集装箱零部件结构示意图
图片尺寸920x1302
箱体类零件④
图片尺寸836x476
深圳印刷包装知识
图片尺寸956x1024
02型箱有21种不同款式,常用的只有0201型一.
图片尺寸640x354
瓦楞纸箱常见的箱型
图片尺寸920x1312
0201箱型就是我们常说的平口箱,在fefco(欧洲瓦楞纸箱制造商联合会)的
图片尺寸900x500
集装箱构造图解
图片尺寸920x1302
集装箱结构示意图
图片尺寸650x465
集装箱结构示意图
图片尺寸539x417
0201箱型图例
图片尺寸1024x482
一种环保木箱
图片尺寸1971x1879
集装箱结构示意图
图片尺寸472x277
箱体结构图
图片尺寸696x503
0201箱型,国际标准瓦楞纸箱,运输纸箱,外包装-包装业务助手 demo
图片尺寸250x250
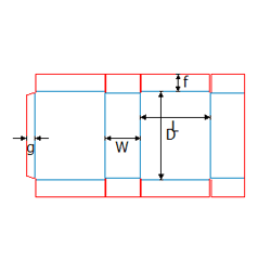
图12-26 纸箱展开图及尺寸标准
图片尺寸1204x323
(3) 联锁封箱:图5-9为常见的0201型箱联锁封箱方式,其他箱型则视结构
图片尺寸600x318
1齿轮传动箱体图pdf
图片尺寸800x568