200乳化泵图解

乳化泵站厂家现货直供rb200.01.06-1泵头南京六合乳化液泵配件
图片尺寸790x1452
带外壳三级乳化泵
图片尺寸750x443
乳化机均质泵
图片尺寸750x520
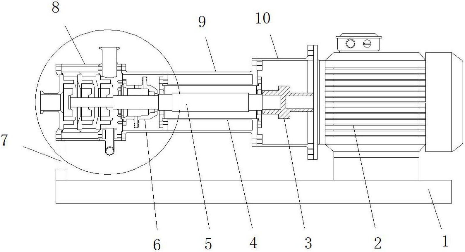
乳化泵详解2
图片尺寸600x450
乳化泵说明书
图片尺寸750x339
brw80型煤矿用乳化液泵结构图 brw80/31.5乳化液泵
图片尺寸669x714
恒东科技不锈钢管线均质混合乳化机高剪切工业生产用间歇式分散乳化泵
图片尺寸750x593
管线式三级乳化泵 304卫生级不锈钢混合均质剪切乳化泵 厂家直销
图片尺寸790x700
5型乳化液泵组随机图册
图片尺寸672x717
r型乳化液泵组随机图册技术报告.doc
图片尺寸792x560
不锈钢管线均质混合乳化泵 高剪切 间歇式分散乳化泵机 srh-3型
图片尺寸750x713
单级乳化泵 安装尺寸图
图片尺寸615x309
强忠不锈钢高速剪切三级管线式料液管道均质混合乳化泵厂家直销
图片尺寸750x946
厂家供应管线式乳化泵乳化黄豆蛋黄酱辣椒酱乳化
图片尺寸960x1128
brw8020型乳化液泵组随机图册课件
图片尺寸920x1302
乳化液泵卸载阀主要作用,结构及处理漏液流程
图片尺寸640x579
均质乳化泵乐平价格
图片尺寸600x400
不锈钢三级管线式高剪切乳化泵
图片尺寸750x749
高剪切乳化泵-爱企查
图片尺寸1589x863
高剪切均质三级乳化泵
图片尺寸750x497