24译码器设计

24译码器设计
图片尺寸2401x1568
24译码器设计
图片尺寸880x766
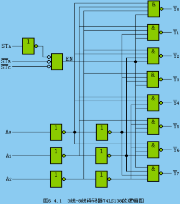
译码器二进制译码器74427415474138数电
图片尺寸726x425
译码器基础
图片尺寸1544x946
段数码管显示译码器.doc
图片尺寸792x1120
显示译码器
图片尺寸448x289
双24译码器74ls139真值表
图片尺寸600x663
译码器74ls247作用于功能引脚图真值表应用电路及工作原理
图片尺寸675x608
译码器和编码器
图片尺寸788x594
数字电路编码器与译码器课件
图片尺寸920x690
译码器
图片尺寸365x413
器电路设计以及multisim软件仿真_multisim二十进制译码器-csdn博客
图片尺寸1247x624
器电路设计以及multisim软件仿真_multisim二十进制译码器-csdn博客
图片尺寸1374x814
第16章 三位二进制译码器ppt
图片尺寸1080x810
3-8译码器电路设计原理图
图片尺寸1005x512
器电路设计以及multisim软件仿真_multisim二十进制译码器-csdn博客
图片尺寸1029x942
4位锁存,4-16 线译码器cd4514
图片尺寸353x486
译码器实验报告
图片尺寸559x403
探讨2对4二进制解码器及4到16二进制解码器配置
图片尺寸608x496
3-8 线译码器
图片尺寸491x408