3串保护板电路图

自制三串锂电池保护板
图片尺寸613x431
三串3串 11.1v 12v 12.6v锂电池保护板 5a工作电流 精工方案
图片尺寸728x425
请高手分析下dw01组成的3串锂电保护板的过充过流过放保护原理
图片尺寸960x1400
3串锂电池保护板 移动电源保护板 移动电源方案 12v/5a/10a
图片尺寸636x362
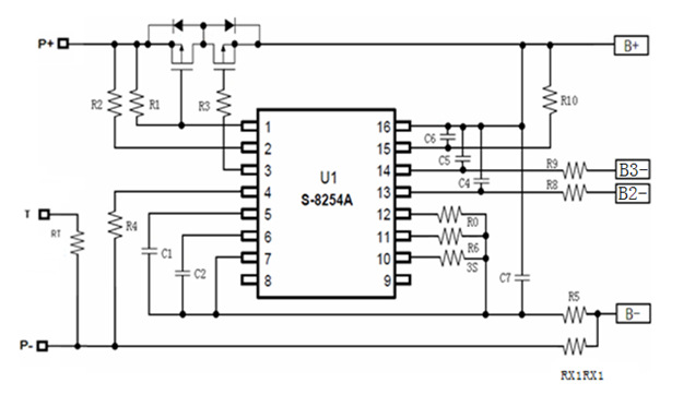
精工8254系列三串保护电路 经典设计
图片尺寸900x900
3串5a 18650 锂电池保护板 三串12v电池保护板 筋膜枪电池保护板
图片尺寸1592x1080
3串锂电池充放电保护板设计参考_电池保护板电路设计-csdn博客
图片尺寸863x606
3串锂电池充放电保护板设计参考_电池保护板电路设计-csdn博客
图片尺寸622x479
未验证3串21700锂电池保护板带均衡
图片尺寸1169x827
保护板电路原理图
图片尺寸605x471
三串12v锂电池保护板太阳能led路灯喷雾器3节11.1v电动玩具车保护
图片尺寸800x800
【pcm保护板】
图片尺寸750x464
保护板电路原理图
图片尺寸927x408
嘉佰达3串12v锂电池保护板 10a同口户外路灯电动工具18650保护板
图片尺寸790x1321
动力型锂电池保护板 - lizonghua53 - 亲爱的博友,这里有你喜欢的,有
图片尺寸1168x795
3串5a 12v 筋膜枪锂电池保护板 三角形电池侧边加板
图片尺寸880x707
保护板电路图.jpg
图片尺寸1301x1080
3节18650锂电串联,无电池保护板,该怎么充电
图片尺寸858x447
3串dc款电动工具12v手电钻保护板动力锂电池保护板启动瞬间达40a
图片尺寸750x750
18650 三串10.8v 喷雾器太阳能路灯大电流锂电池保护板
图片尺寸800x800