4040铝型材图纸

4040工业铝型材
图片尺寸798x345
qy-8-4040gb国标铝型材图纸
图片尺寸751x428
常见的几款铝型材4040截面图汇总!
图片尺寸751x428
4040工业铝型材的适用范围
图片尺寸794x422
一般都是3030铝型材,4040铝型材或者4080铝型材来搭建
图片尺寸1073x516
4040铝型材截面尺寸都有哪些?
图片尺寸751x428
想了解铝型材4040的厚度看这里
图片尺寸750x422
贝派铝型材4040g铝型材非标设备框架输送机加工制作
图片尺寸401x417
厂家直销设备铝型材 鱼缸架型材 4040d铝型材 重型 欧标壁厚3.
图片尺寸799x800
4040工业铝型材型号展示
图片尺寸640x868
4040铝型材截面尺寸都有哪些?
图片尺寸751x428
促销轻型铝型材4040 工业铝型材4040l铝合金型材 工字铝材
图片尺寸400x400
四川工业铝型材4040c 铝型材工作台
图片尺寸750x750
欧标4040工业铝型材铝型材鱼缸diy型材铝合金支架实验室框架型材
图片尺寸400x400
国标4040铝型材截面尺寸有这些
图片尺寸620x358
jl-8-4040erb,8mm 槽宽工业铝型材系列
图片尺寸892x593
ob-4040 欧标铝型材
图片尺寸720x455
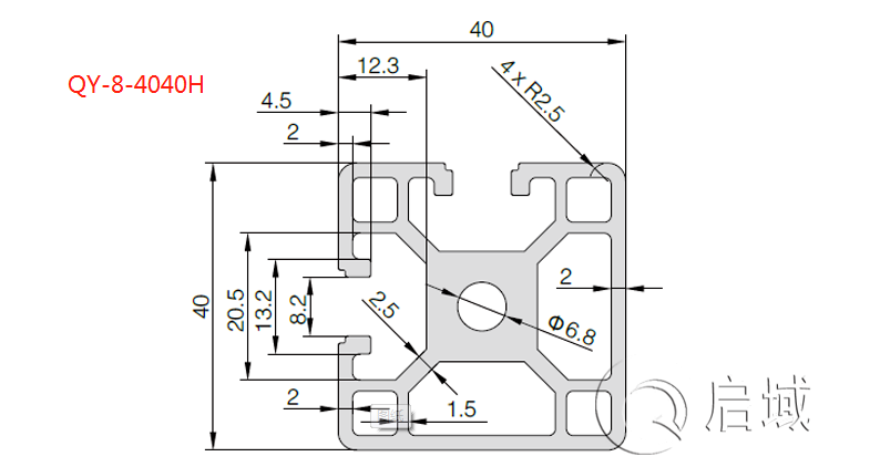
【供应】4040h工业铝型材
图片尺寸442x383
弘峰家装建材五金铝型材4040工业铝型材铝合金型材铝合金方管欧标支架
图片尺寸800x636
国耀工业铝型材厂家直销高品质4040铝型材质量保证工业铝型材4040
图片尺寸750x750