485通讯接线图db9

db9针座(rs422/rs485 黑色)接线方式
图片尺寸823x516
485通讯方式接线图
图片尺寸663x232
485图片_百度百科
图片尺寸548x398
485多设备接线图及通讯线布线原则
图片尺寸500x248
转换器转接器db9 2,点到多点/两线半双工 转换器作为半双工接线时
图片尺寸579x748
com 宽416x388高通讯,其接口定义和通讯接线如图2所示
图片尺寸500x528
完全与pc兼容的rs-232c数据接口 ⊙ rs-485接口有db9连接器及四位接线
图片尺寸786x433
rs232-rs485/422无源接口转换器db9针/门禁考勤系统接口转换器
图片尺寸463x707
专业解析rs232与rs485串行接口的区别
图片尺寸595x273
常见的rs485接线方式
图片尺寸689x435
研龙工控嵌入式rs485无风扇防尘防振工
图片尺寸750x503
rs485通讯线接线方式
图片尺寸1494x600
1.2 db9定义
图片尺寸650x335
rs485有两线制和四线制两种接线,四线制是全双工通讯方式,两线制是半
图片尺寸362x193
485通讯接口现场接线
图片尺寸1179x1374
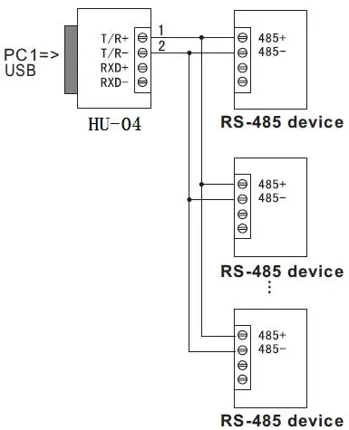
hu-04 usb db9 male connector to rs485 rs422 industrial converter
图片尺寸385x475
485通讯接线图
图片尺寸450x250
usb2.0转rs485/rs422光电隔离转换器 (工业级,600w防雷)db9
图片尺寸660x1708
zy092_(z-tek(力特))zy092中文资料_价格_pdf手册-立创电子商城
图片尺寸750x1325
dtu与plc通过rs232或rs485连接示意图.png
图片尺寸700x488