5号电池尺寸

产品型号尺寸
图片尺寸750x355
展开全部 图片看不清,看样子像5号电池.
图片尺寸930x893
规格型号规格标称电压( v )标称容量( mah )循环次数( 次 )产品尺寸
图片尺寸360x360
2粒包装(单粒价格)规格型号进货数量库存(元)价格颜色( mm )产品尺寸
图片尺寸750x729
德力普充电电池5号套装 5号充电电池 通用5号电池充电器套装包邮
图片尺寸790x535
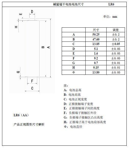
92 外形尺寸与端子
图片尺寸506x578
批发充电电池5号2200mah大容量数码音响智能用五号nimh新乡电池
图片尺寸360x360
全部5个规格型号规格型号规格标称容量标称电压保质期重量产品尺寸
图片尺寸360x360
南孚nanfu五号充电电池耐用型2粒装适用于玩具车挂钟鼠标键盘等
图片尺寸790x517
gp超霸5号1300毫安充电电池 aa 五号镍氢充电电池 电动玩具电池
图片尺寸780x496
所有分类 工程科技 电子/电路 > 超威电池尺寸表序号 1 2 3 4 5 6 7 8
图片尺寸724x1072
南孚电池7七号5号大号小号空调电视遥控器电风扇机顶电池
图片尺寸800x800
德力普delipow 5号可充电电池4节1300毫安玩具鼠标通用aa玩具电池
图片尺寸800x800
电动车昌盛超威电池参数对比
图片尺寸682x833
48v电动车高容量锂电池大铝壳5c动力电芯电池组代驾车外卖车电池
图片尺寸657x778
eneloop大容量5号可充电电池7号五号带充电器套装三洋爱老婆爱乐普
图片尺寸1500x2322
在路上 14500锂电池 3.7v足量800mah 迷你强光手电筒可充电锂电池.
图片尺寸790x700
电池5号7号耐用正品碱性空调遥控器玩具鼠标普通干电池
图片尺寸800x800
电池尺寸及重量
图片尺寸762x1041
电池尺寸表
图片尺寸700x361