590控制器接线图

欧陆590c端子接线图
图片尺寸699x526![欧陆直流调速器590 使用手册:[1]](https://i.ecywang.com/upload/1/img1.baidu.com/it/u=1690950101,2937246759&fm=253&fmt=auto&app=138&f=JPEG?w=500&h=707)
欧陆直流调速器590 使用手册:[1]
图片尺寸2381x3368
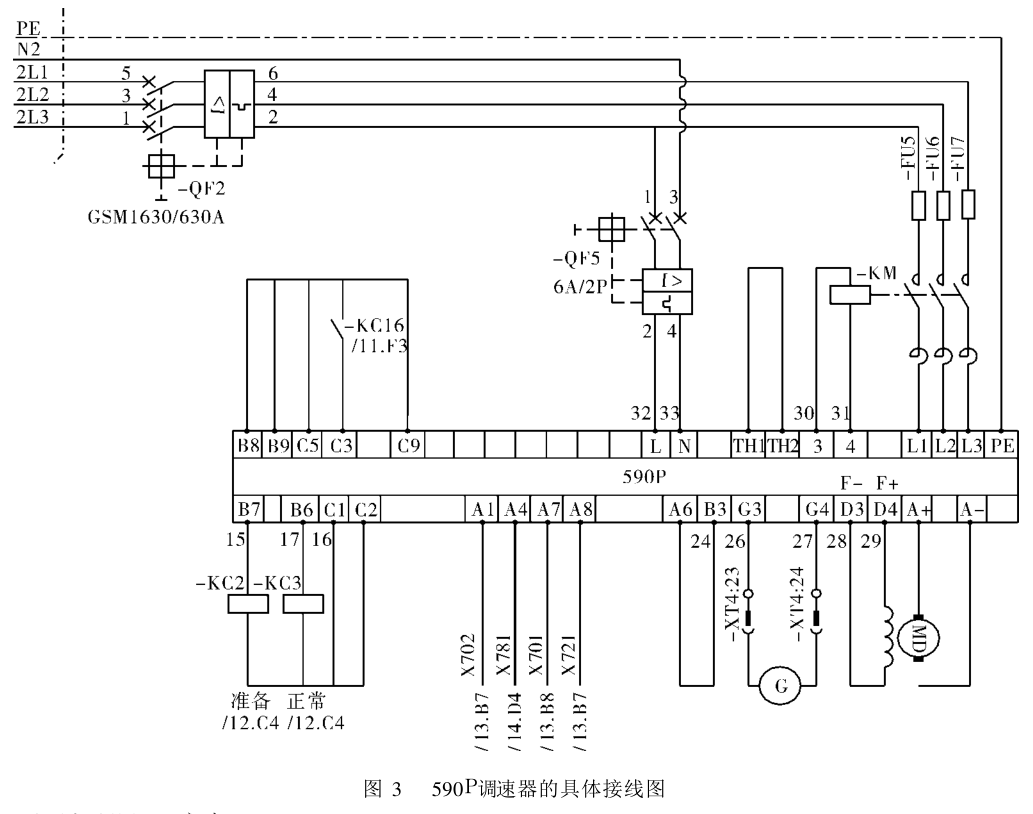
590p系列直流调速器在双螺杆挤压造粒机主机调速中的应用!
图片尺寸1033x814
远驱常规系列控制器接线图,需要的朋友可以收藏#南京远驱 - 抖音
图片尺寸864x1920
供应590电源板专业590控制板维修厂家欧陆590板块维修
图片尺寸705x515
电动车控制器接线原理图
图片尺寸920x1242
厂家直销 48v60v64v自适应双模12管500w二轮三轮无刷电动车控制器
图片尺寸849x636
百度爱采购首页 商品专题_控制器图10-7 变频器的基本接线图 接线时应
图片尺寸2466x3691
张志农控制器接线
图片尺寸690x519
48改60v的控制器问题 电动车综合讨论区_第6页_接线图分享
图片尺寸844x979
而且交流调速器的矢量控制,本质还是在模拟直流调速器的控制方法了
图片尺寸703x512
变频器-上海 台达 变频器 泛用矢量型 svfd-b系列 三相 380v 3.
图片尺寸3898x5315
欧陆590在冷轧机中的应用祥解doc13页
图片尺寸792x1120
qtextedit设置最大输入parker590在直流电机控制系统中的应用设置及
图片尺寸640x430
全新欧陆590c直流调速器590c 110a 四象限(可控制正反转)质保1年
图片尺寸531x1000
接线图及控制 i/o 端子的信号
图片尺寸500x845
电磁阀控制器实物接线图
图片尺寸719x547
v20变频器pid控制恒压供水操作指南设计
图片尺寸572x695
荐 直流无刷电机驱动控制器调速器bld-120a 120w医疗离心机电机
图片尺寸737x590
电气图直流调速器590c的一部分,图中33-40被一根黄线穿过是什么意思?
图片尺寸536x453