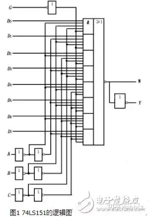
74ls151全加器逻辑图

全加器逻辑电路图
图片尺寸620x311
设计一个数字逻辑中的全加器,要求有实验原理,函数表达式,卡诺图,逻辑
图片尺寸279x224
全加器加法器
图片尺寸802x342
如何只用与非门实现全加器,求逻辑图
图片尺寸926x353
一位二进制全加器
图片尺寸554x328
课题名称组合逻辑全加器.
图片尺寸1820x1412
在verilog语言中使用门级建模设计一个由1位全加器组成的4位全加器
图片尺寸1435x808
2一位全加器
图片尺寸1105x437
实用一位加法电路-全加器(全加器真值表,全加器的逻辑组合电路),几种
图片尺寸812x360
带超前进位的四位全加器
图片尺寸492x555
二进制全加器只涉及一位加法逻辑图和电路图
图片尺寸699x473
一位全加器的多种实现方法1ppt
图片尺寸1080x810
全加器
图片尺寸268x168
使用logisim软件实现一位全加器四位串行加法器四位并行加法器
图片尺寸412x205
数电实验三全加器应用
图片尺寸1080x697
全加器全加器是什么意思
图片尺寸426x354
全加器电路,包括:数据输入电路模块,数据输入电路模块包括逻辑与门和
图片尺寸903x1000
实验12: 组合逻辑电路-一位全加器
图片尺寸501x415
74ls151应用电路图大全(全加器表决器)
图片尺寸495x448
如何画74151的逻辑电路图
图片尺寸300x437