74ls181电路图

74系列数字电路7418174ls181等算术逻辑单元功能发生器
图片尺寸1457x1920
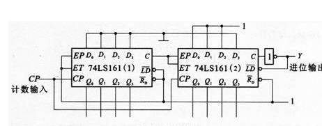
由4位比较器74ls85和4位二进制计数器74161构成的定时电路,如图7.2.
图片尺寸462x181
例:用四位全加器74181实现一位bcd加法器功能表:②,74ls181①,例1
图片尺寸726x586
1 简单运算的逻辑图 具体电路如下所示
图片尺寸808x423
实验电路原理图
图片尺寸1306x730
【sn54/74ls1814位算术逻辑单元该sn54 / 74ls181是一个4位算术逻辑
图片尺寸850x1100
华科组成原理实验报告——存储器
图片尺寸1242x763
芯片74ls181函数产生器的中文资料功能引脚图逻辑图电特性典型值
图片尺寸311x500
el-jy-Ⅱ 计算机组成原理第二套 实验一
图片尺寸944x463
由于74ls181只能进行4位的运算,所以我们可以用两个74ls373分别来实现
图片尺寸650x349
华中科技大学 组成原理实验报告 运算器组成实验
图片尺寸622x718
验证74ls181运算和逻辑功能的电路图
图片尺寸1018x557
74273_block内容:74244_block内容:其中的一些层次块:实验电路如下:图
图片尺寸991x683
74ls181引脚图及功能逻辑功能及特性
图片尺寸519x800
功能表如下:1,基本原理三,总体设计(4)验证4位运算功能发生器(74ls181
图片尺寸826x600
图1 模型机结构框图 图1中运算器alu由u7—u10四片74ls181构成,暂存
图片尺寸528x549
计算机组成原理实验二运算器实验
图片尺寸1302x842
计算机组成原理中proteus中模拟alu运算器仿真74ls181芯片级联实现
图片尺寸1012x682
计算机组成原理学习实验一运算器实验详细系统
图片尺寸1920x1030
74ls1601电路图
图片尺寸538x403