DC转DC电路原理图

高效dcdc转换器电路
图片尺寸940x626
直流输出的dc转换器电路
图片尺寸884x557
浅谈dcdc分类工作原理组成
图片尺寸720x408
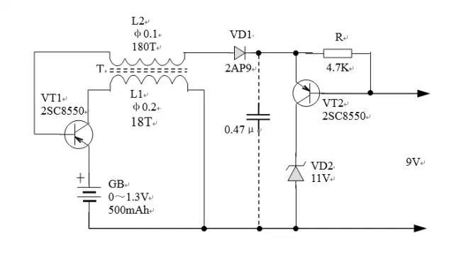
求低电压dc-dc升压模块电路图
图片尺寸767x381
大功率dcdc降压电路电路图220v转12v芯片简单电路应用方案
图片尺寸686x354
双向dcdc变换电路图
图片尺寸875x488
dcdc电路原理与分析图
图片尺寸646x423
dc升压电路原理及电路图
图片尺寸514x412
dc-dc转换器控制回路分析-电子电路图,电子技术资料网站
图片尺寸753x466![dc-dc_升压式led驱动电路图全集[2]](https://i.ecywang.com/upload/1/img0.baidu.com/it/u=2651513231,3595984021&fm=253&fmt=auto&app=138&f=PNG?w=723&h=407)
dc-dc_升压式led驱动电路图全集[2]
图片尺寸723x407
ac转dc电路图
图片尺寸600x258
分享几种常见的dc-dc升压电路,新手必看!
图片尺寸640x363
dcdc电路原理的详细资料简介
图片尺寸798x424
dc-dc升压电路原理与应用
图片尺寸867x466
双管反激dc/dc变换器电路图
图片尺寸850x463
dcdc降压电路
图片尺寸997x468
ac转dc 整流电路 请问有谁知道以下电路 详细原理?
图片尺寸931x420
双路输出dc-dc转换器-dc-dc电路图-电子产品世界
图片尺寸895x359
dcdc转换器,和普通电压电路有什么区别和特点吗?
图片尺寸550x260![dc-dc_升压式led驱动电路图全集[2]](https://i.ecywang.com/upload/1/img0.baidu.com/it/u=3171134793,1075325059&fm=253&fmt=auto&app=138&f=PNG?w=728&h=357)
dc-dc_升压式led驱动电路图全集[2]
图片尺寸728x357