a940参数管脚图

【实物图片】 产品型号:2sk940 产品品牌:东芝 封装形式:to92l 参数
图片尺寸616x800
三极管2sa940参数详情规格
图片尺寸246x183
> 2sa1080
图片尺寸850x1100
mc78m05abdtrkg/mc78m05acdg线性稳压器芯片中文资料pdf数据手册
图片尺寸710x667
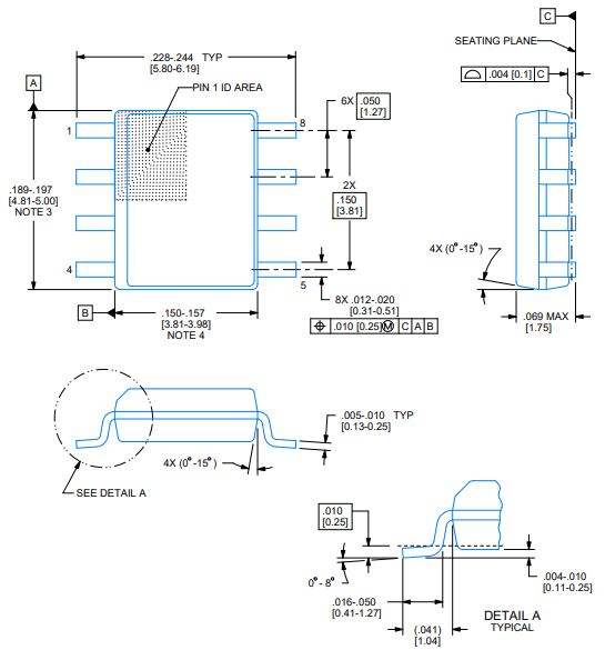
tl072cp运算放大器原装规格参数及引脚图_信号_应用_器件
图片尺寸647x340
inchange半导体
图片尺寸826x1169
三极管a968b管脚排列?参数?低频还是高频管?功率(大,中,小)?请教.
图片尺寸570x756
940_604
图片尺寸940x604
ac6328a是珠海杰理研发的一款ble蓝牙芯片.
图片尺寸511x270
7700101da中文资料
图片尺寸918x1188
asemi大功率mos管90n10参数,90n10应用,90n10图示
图片尺寸679x808
asemi的mos管9n90参数,9n90电路图,9n90实物图
图片尺寸555x777
ksa940 a940 fsc/仙童 to-220 功率三管 全新现货 国产大芯
图片尺寸1920x1920
供应三极管a940 to-220
图片尺寸680x962
750_940竖版 竖屏
图片尺寸750x940
hifidiy论坛-a940 c2073 to126封装的可用什么来直接替换?
图片尺寸630x410
tl072cp运算放大器原装规格参数及引脚图_信号_应用_器件
图片尺寸532x565
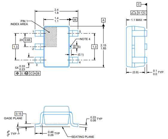
tl074cdr运算放大器原装规格参数及引脚框图_应用_信号_电压
图片尺寸562x465
guid-e8f940b8-2a87-4e18-950c-275af17018d2-low.gif
图片尺寸767x347
tl071cd运算放大器原装规格参数及引脚功能图
图片尺寸545x585