ac30插座接线图

ac电源品字插座和空开接线图
图片尺寸3024x4032
电位器.dc/ac插座.ej2.5/3.5耳机插座_接线图分享
图片尺寸450x555
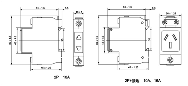
批发销售模数化插座 两孔多功能插座 ac30插座
图片尺寸750x343
正泰模数化插座ac30二三四五孔16a轨道式10a多功能开关配电箱导轨
图片尺寸800x800
正泰chntac30108插座模数化空开导轨插座箱配电三孔10a
图片尺寸800x800
模数化插座ac30五孔导轨式配电箱电源插座10a
图片尺寸800x800
电位器.dc/ac插座.ej2.5/3.5耳机插座_接线图分享
图片尺寸996x768
ac30模数化电源插座单相三相导轨式两孔三孔四孔五孔10a16a25a32a三相
图片尺寸800x800
四插16a图片,ac30模数化插座,四插16a图片大全,乐清市东城接线板厂
图片尺寸638x572
人民电气 ac30多功能模数化插座 3孔三插10a-16a配电箱导轨式插座
图片尺寸800x800
正泰模数化插座ac30二三四五孔16a轨道式10a多功能开关配电箱导轨
图片尺寸800x800
ac30模数化插座三插10a16a三孔导轨式电箱电源10/3眼dz47x 三孔10a
图片尺寸800x800
正泰五孔二插三插16a多功能模数化电箱导轨式电源插座ac30-10540_7折
图片尺寸750x470
德力西电气ac30-10530模数化插座五孔10a插座dz47x导轨式配电箱插座
图片尺寸800x800
批发三孔型多功能ac30模数化插座/10a-16a工业插座三插导轨式插座
图片尺寸1920x1920
正泰五孔二插三插16a多功能模数化电箱导轨式电源插座ac30-10540_7折
图片尺寸500x500
正泰chntac30110插座模数化空开导轨插座箱配电三孔16a
图片尺寸800x800
dz47x 5孔模数化插座五孔10a插座ac30电照明配箱电源导轨式 5孔 10a
图片尺寸800x800
插座ac30开关插座套装10a16a20a32a模数三相四线电源导轨开关插座套装
图片尺寸1128x1126
ac30模数化插座二三四五孔导轨式插座5孔10a3插16a配电箱电源插座3孔
图片尺寸990x1533