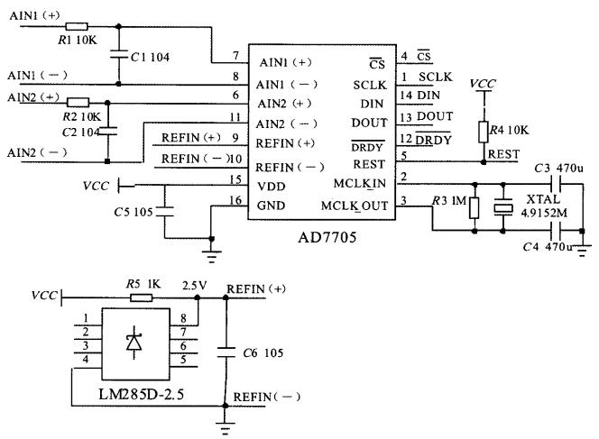
ad7705引脚图及功能

ad7705最好的中文资料下载共32页pdf
图片尺寸557x372
电赛总结二ad芯片总结之ad7705
图片尺寸455x471
ad7705的操作
图片尺寸782x405
ad7705中文
图片尺寸881x457
ad7705技术参数
图片尺寸521x366![[求助]ad7705的drdy引脚一直为高电平](https://i.ecywang.com/upload/1/img1.baidu.com/it/u=181394040,255669634&fm=253&fmt=auto&app=138&f=JPEG?w=500&h=429)
[求助]ad7705的drdy引脚一直为高电平
图片尺寸512x439
ad7705与stm32,ad7705一直读出的数为0xff
图片尺寸825x422
ad7705中文资料
图片尺寸310x277
ad7705的特点引脚功能及应用电路
图片尺寸901x467
基于ad7705与单片机的在线激光功率检测系统设计
图片尺寸1006x514
ad7705是什么芯片内部结构和引脚图及应用电路
图片尺寸764x356
ad7705 /drdy总是高电平
图片尺寸1004x831
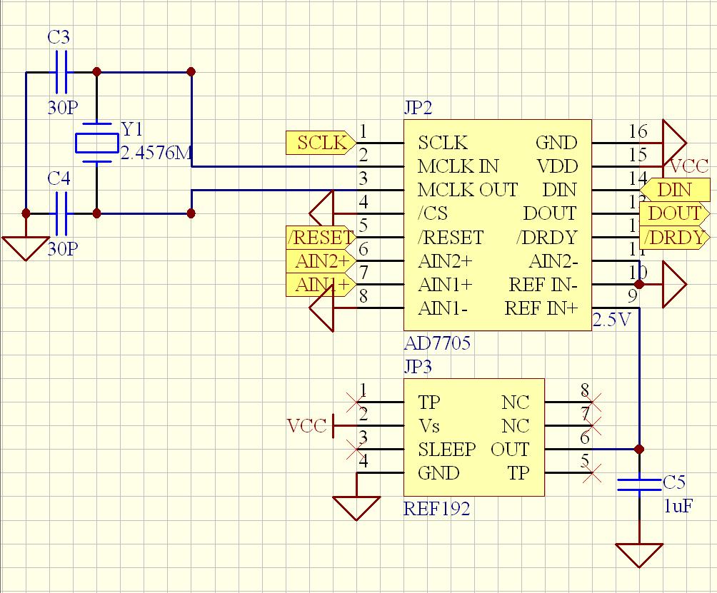
外设驱动库开发笔记5:ad7705系列adc驱动
图片尺寸1030x691
基于ad7705与fpga的光信号采集系统设计
图片尺寸664x487
ad7705中文资料引脚图及功能电路图pdf下载参数封装
图片尺寸683x645
ad7705
图片尺寸486x344
ad7705是什么芯片内部结构和引脚图及应用电路
图片尺寸733x422
ad7705
图片尺寸432x354
adc芯片ad7705最详细讲解stm32建议收藏
图片尺寸503x388
ad7705
图片尺寸505x381